首页 实物视频演示 仿真视频演示 设计说明书预览 答辩PPT预览
仿真视频演示:
软件安装:
资料预览
效果图:

总体资料:

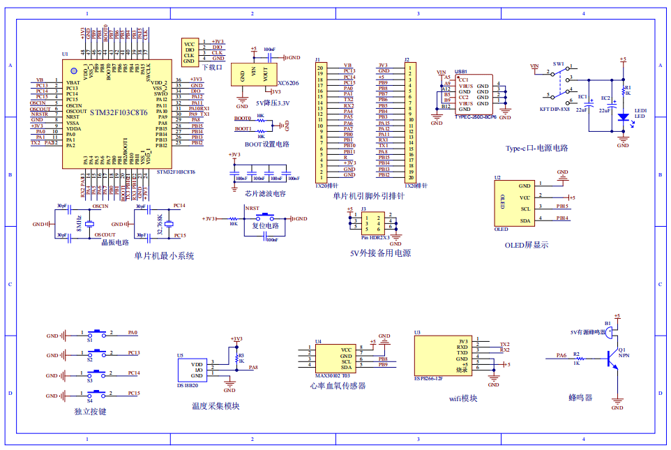
原理图:

软件设计流程:


系统框图:

本设计以STM32F103C8T6单片机为核心控制器,加上其他的模块一起组成基于物联网的智能家庭健康监护的整个系统,其中包含中控部分、输入部分和输出部分。中控部分采用了STM32F103C8T6单片机,其主要作用是获取输入部分数据,经过内部处理,控制输出部分。输入由四部分组成,第一部分是DS18B20温度采集模块,用于检测当前温度;第二部分是心率检测模块,用于检测当前心率;第三部分是独立按键,用于切换界面、设置温度阈值、设置心率阈值;第四部分是供电电路,给整个系统供电。输出由三部分组成,第一部分是OLED显示屏,显示检测到的温度、心率和设置的温度阈值、心率阈值;第二部分是蜂鸣器,当温度大于设置温度最大值或心率不在设置的阈值内,蜂鸣器报警;第三部分是WIFI模块,将检测到的数据发送给手机,也可通过手机设置温度、心率阈值。
硬件清单:









