首页 实物视频演示 仿真视频演示 设计说明书预览 答辩PPT预览
仿真视频演示:
软件安装:
资料预览
效果图:

总体资料:

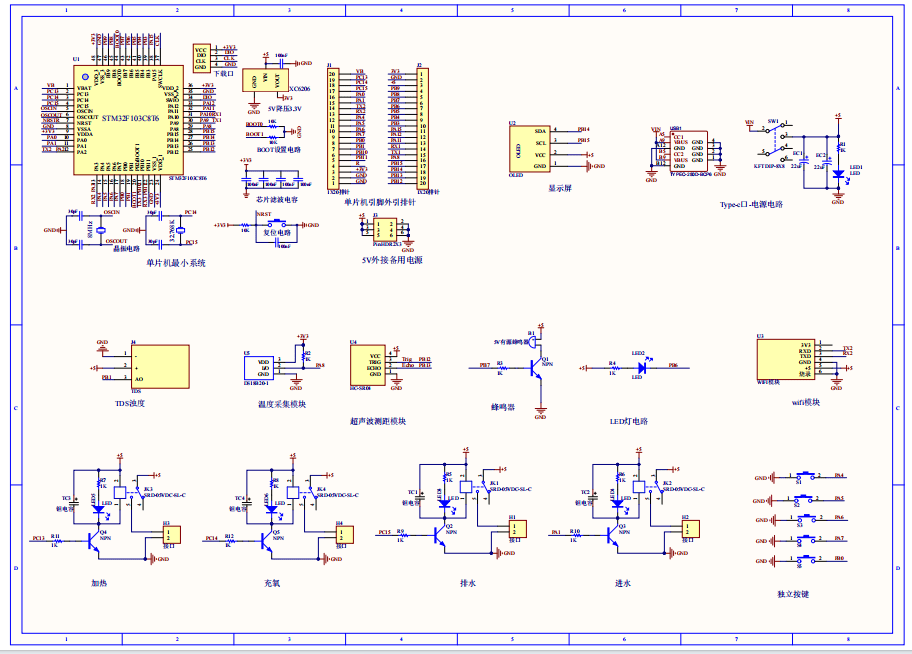
原理图:

软件设计流程:



系统框图:

本设计以STM32F103C6T6单片机为核心控制器,加上其他的模块一起组成基于单片机的智能鱼缸的整个系统,其中包含中控部分、输入部分和输出部分。中控部分采用了STM32F103C6T6单片机,其主要作用是获取输入部分数据,经过内部处理,控制输出部分。输入由四部分组成,第一部分是水质水温检测模块,用来检测当前鱼缸的水温和水质。第二部分是MOED超声波检测模块,通过该模块检测当前水位高度。第三部分是独立按键模块,通过五个独立按键进行切换模式、设置温度、水位、水质阈值。第四部分是供电电路,给整个系统进行供电。输出由四部分组成,第一部分是OLED显示模块, 显示温度、水位、水质、鱼缸高度的值。第二部分是四个SRD-05继电器分别是充氧继电器,用来充氧;排水继电器,用来排水;进水继电器,用来上水;加热继电器,用于当温度小于设置的阈值时加热。第三部分是LED灯,当光照较暗时用于照亮。第四部分是WIFI模块,用于显示测量的阈值也可以控制灯灯的开关和充氧。
硬件清单:









