首页 实物视频演示 仿真视频演示 设计说明书预览 答辩PPT预览
实物视频演示:
软件安装:
资料预览
效果图:

总体资料:

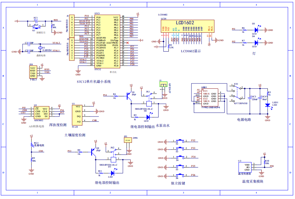
原理图:

软件设计流程:


系统框图:

本设计以STC89C52单片机为核心控制器,加上其他的模块一起组成基于51单片机的智能大棚环境监测控制的系统设计,其中包含中控部分、输入部分和输出部分。中控部分采用了STC89C52单片机,其主要作用是获取输入部分数据,经过内部处理,控制输出部分。输入由五部分组成,第一部分是土壤湿度传感器和ADC0832组成的,用于检测当前土壤湿度值;第二部分是光敏电阻和ADC0832组成的,用于检测当前的光照强度;第三部分是DS18B20温度采集模块,通过该模块可检测当前的温度值;第四部分是独立按键,用于切换界面和模式、设置阈值、开关风扇/水泵和照明;第五部分是供电电路,给整个系统进行供电。输出由三部分组成,第一部分是LDC1602显示模块,用于显示温度、土壤湿度、光照和模式,以及显示设置阈值;第二部分是2个LED,分别是温度低于阈值可以手动亮黄灯,光照低于阈值自动亮白灯;最后是2个继电器,分别控制风扇和水泵。
硬件清单:








