首页 实物视频演示 仿真视频演示 设计说明书预览 答辩PPT预览
实物视频演示:
软件安装:
资料预览
效果图:

总体资料:

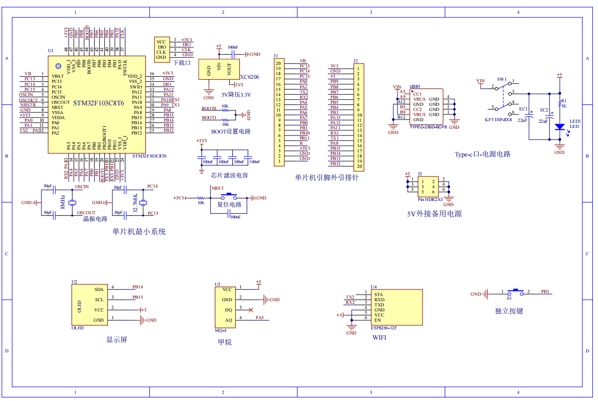
原理图:

软件设计流程:


系统框图:

本设计以STM32F103单片机为核心控制器,加上其他的模块一起组成基于单片机的甲烷检测的整个系统,其中包含中控部分、输入部分和输出部分。中控部分采用了STM32F103单片机,其主要作用是获取输入部分数据,经过内部处理,控制输出部分。输入由三部分组成,第一部分是MQ-4甲烷传感器,通过该模块可读取当前的甲烷浓度;第二部分是一个独立按键,通过该案件进行配网;第三部分是供电电路,给整个系统进行供电。输出由两部分组成,第一部分是OLED显示模块, 通过该模块可以显示当前的甲烷浓度和配网二维码;第二部分是WiFi模块,通过WiFi将数据发送到微信小程序,进而通过手机查看数据。
硬件清单:







