实物视频演示:
软件安装:
资料预览
效果图:

总体资料:

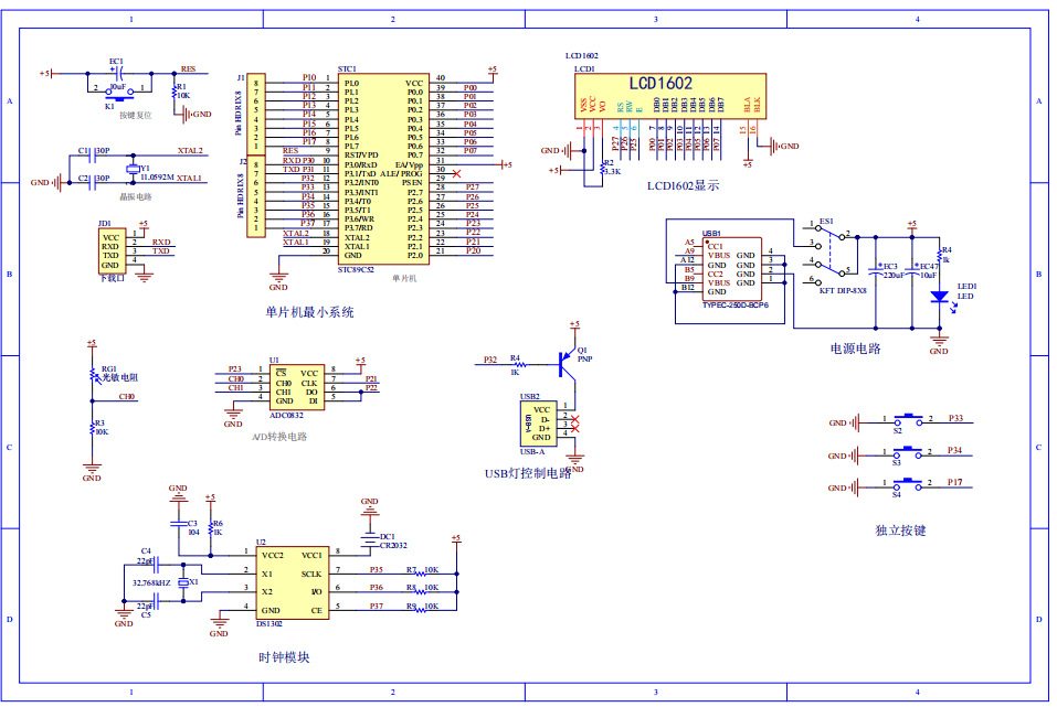
原理图:

软件设计流程:


系统框图:

本设计以STC89C52单片机为核心控制器,加上其他的模块一起组成基于单片机的智能路灯的整个系统,其中包含中控部分、输入部分和输出部分。中控部分采用了STC89C52单片机,其主要作用是获取输入部分数据,经过内部处理,控制输出部分。输入由四部分组成,第一部分是时钟模块,用于获取时间;第二部分是光敏电阻和ADC0832组成的,用于检测光照强度值。第三部分是独立按键,用于切换界面、设置光照阈值、定时时间和修改时间、开关灯;第四部分是供电电路,给整个系统供电。输出由两部分组成,第一部分是LCD显示屏,显示时间、光照和模式,以及设置光照阈值和定时时间等;第二部分是USB灯,提供照明。
硬件清单:







