首页 实物视频演示 仿真视频演示 设计说明书预览 答辩PPT预览
实物视频演示:
软件安装:
资料预览
效果图:

总体资料:

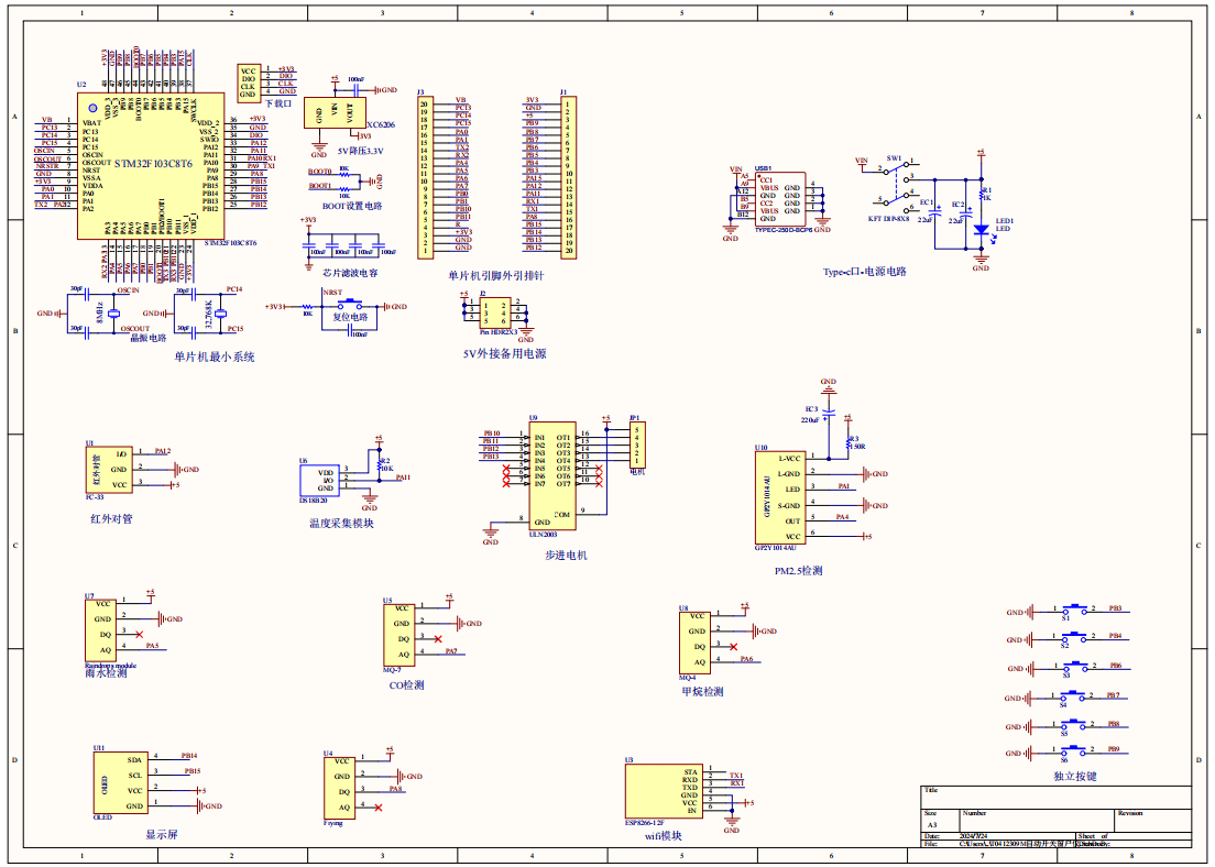
原理图:

软件设计流程:


系统框图:

本设计以STM32单片机为核心控制器,加上其他的模块一起组成的基于单片机的自动开关窗户仪的整个系统,其中包含中控部分、输入部分和输出部分。中控部分采用了STM32单片机,其主要作用是获取输入部分数据,经过内部处理,控制输出部分。输入由九部分组成;第一部分是红外对管模块,用于防止开关窗被夹;第二部分是PM2.5检测模块,用于检测当前的PM2.5浓度值;第三部分是火焰传感器,用于检测是否着火;第四部分是MQ-4甲烷检测模块,用于检测室内甲烷浓度;第五部分是雨水传感器,用于检测是否下雨;第六部分是MQ-7一氧化碳检测模块,用于检测室内的CO气体浓度值;第七部分是DS18B20温度采集模块,通过该模块可检测当前的温度值;第八部分是独立按键,进行切换界面、手动开关窗户、设置温度阈值;第九部分是供电电路,给整个系统进行供电。输出由三部分组成,第一部分是OLED显示屏, 通过该模块显示窗户状态、相关参数值及设置温度阈值;第二部分是ULN2003步进电机驱动芯片及电机,模拟窗户的开关;最后一部分是WIFI模块,通过该模块连接手机上传数据并进行控制窗户开关,进行警报等。
硬件清单:







