首页 实物视频演示 仿真视频演示 设计说明书预览 答辩PPT预览
仿真视频演示:
软件安装:
资料预览
效果图:
总体资料:

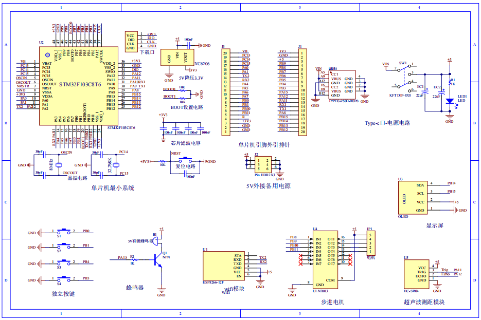
原理图:

软件设计流程:


系统框图:

本设计以STM32单片机为核心控制器,加上其他的模块一起组成基于单片机的水质监测系统设计,其中包含中控部分、输入部分和输出部分。中控部分采用了STM32单片机,其主要作用是获取输入部分数据,经过内部处理,控制输出部分。
输入由六部分组成,第一部分是DS18B20温度传感器,通过该传感器检测温度;第二部分是PH检测模块,用于检测水的PH值;第三部分是TDS检测模块,用于检测水中可溶解性电解质值(水质);第四部分是ECB02蓝牙模块,实现与按键相同功能;第五部分是独立按键,进行切换界面,设置水质/PH阈值。最后一部分是供电电路,给整个系统供电。
输出由三部分组成,第一部分是OLED显示屏,显示温度值,TDS和PH值及设置其阈值;第二部分是蜂鸣器,当检测到TDS/PH异常,进行报警;最后一部分是WIFI模块,通过该模块上传数据至云平台,同时进行控制。
硬件清单:










