首页 实物视频演示 仿真视频演示 设计说明书预览 答辩PPT预览
实物视频演示:
软件安装:
资料预览
效果图:

总体资料:

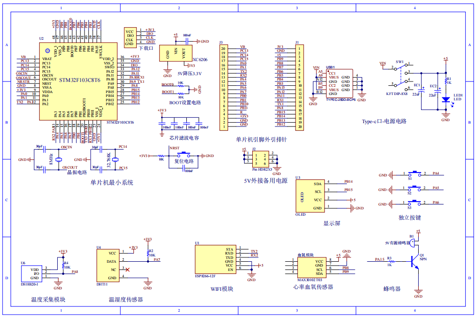
原理图:

软件设计流程:


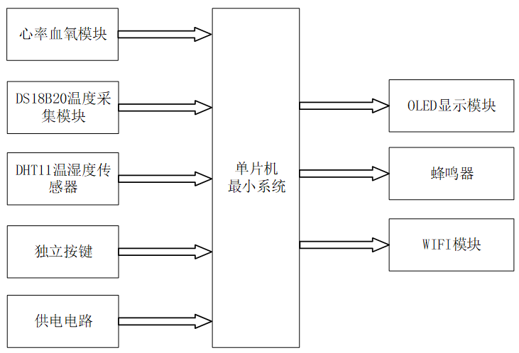
系统框图:

本设计以STM32单片机为核心控制器,加上其他的模块一起组成基于单片机的病房监测设计的整个系统,其中包含中控部分、输入部分和输出部分。中控部分采用了STM32单片机,其主要作用是获取输入部分数据,经过内部处理,控制输出部分。输入由五部分组成,第一部分是心率血氧模块,用于监测心率值;第二部分是DS18B20温度采集模块,用于检测当前温度值;第三部分是DHT11温湿度传感器,用于获取当前的温湿度情况;第四部分是独立按键,进行切换界面,设置体温和心率阈值;第五部分是供电电路,给整个系统进行供电。
输出由三部分组成,第一部分是OLED显示模块,显示当前的温湿度,体温、心率及设置其阈值;第二部分是蜂鸣器,当体温或心率异常,进行报警;最后一部分是ESP8266 WIFI模块连接云平台,可以通过手机app查看数据。
硬件清单:







