首页 实物视频演示 仿真视频演示 设计说明书预览 答辩PPT预览
仿真视频演示:
软件安装:
资料预览
效果图:
总体资料:

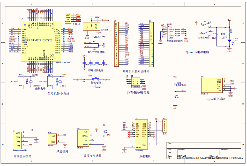
原理图:
从机:

主机:

软件设计流程:



系统框图:

本设计以STM32单片机为核心控制器,加上其他的模块一起组成基于Zigbee的智能窗户控制系统的设计与实现的整个系统,分为主从机两大部分,都包含中控部分、输入部分和输出部分。中控部分采用了STM32单片机,其主要作用是获取输入部分数据,经过内部处理,控制输出部分。
从机输入有六部分组成,第一部分是光敏电阻,用于检测当前光照强度值;第二部分是DHT11温湿度传感器,用于获取当前的温湿度值;第三部分是雨水传感器,用于检测雨滴;第四部分是风速传感器,用于获取当前风速值;第五部分是独立按键,用于界面切换、开关窗和切换模式;第六部分是供电电路,给从机系统进行供电。输出由两部分组成,第二部分是ULN2003步进电机,用于模拟窗户的开关;最后是ZigBee模块,用于和主机进行数据的传输。
主机输入由三部分组成,第一部分是独立按键,用于切换界面和模式,开关窗户和关闭报警;第二部分是控ZigBee模块,用于和从机进行数据的传输;第三部分是供电电路,给主机整个系统供电。输出由三部分组成,第一部分是OLED显示屏,显示系统名称,模式、窗户状态,温湿度、光照、风速和雨滴值;第二部分是WIFI模块,连接手机传输数据并通过手机进行控制家电开关和切换模式等;最后一部分是蜂鸣器,用于报警。
硬件清单:
从机:

主机:










