首页 实物视频演示 仿真视频演示 设计说明书预览 答辩PPT预览
仿真视频演示:
软件安装:
资料预览
效果图:
总体资料:

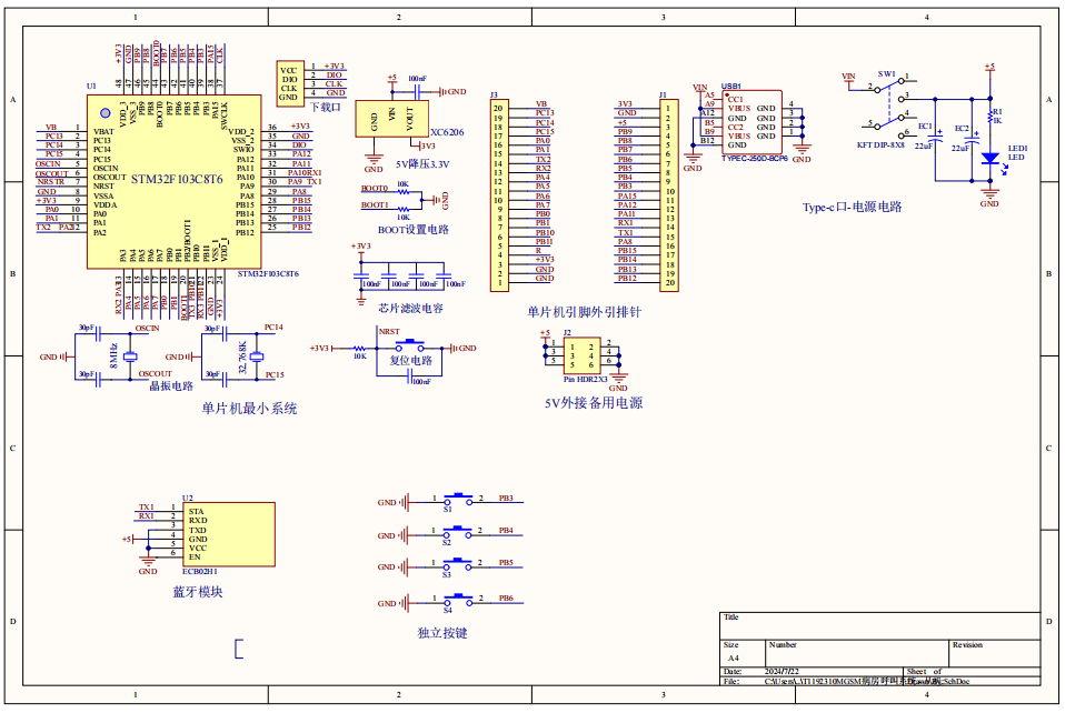
原理图:
从机:

主机:
软件设计流程:




系统框图:

本设计以STM32单片机为核心控制器,加上其他的模块一起组成基于单片机的智能泡茶机系统设计,其中包含中控部分、输入部分和输出部分。中控部分采用了STM32单片机,其主要作用是获取输入部分数据,经过内部处理,控制输出部分。输入由四部分组成,第一部分是DS18B20温度传感器,用于检测水温值;第二部分是水位传感器,通过该模块检测水位值;第三部分是独立按键,用于切换界面、设置温度阈值,手动开关加热;第四部分是供电电路,给整个系统进行供电。输出由四部分组成,第一部分是OLED显示屏, 显示系统名称,水温、水位以及其阈值;第二部分是继电器,用于控制给水加热;第三部分蜂鸣器,进行无水提示;最后一部分是WIFI模块,通过WIFI上传获取的数据至云平台,同时通过可以设置。
硬件清单:
从机:

主机:











