首页 实物视频演示 仿真视频演示 设计说明书预览 答辩PPT预览
仿真视频演示:
软件安装:
资料预览
效果图:
总体资料:

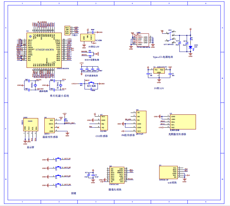
原理图:

软件设计流程:


系统框图:

本设计以STM32F103C8T6单片机为核心控制器,加上其他的模块一起组成基于单片机的农田环境检测系统,其中包含中控部分、输入部分和输出部分。中控部分采用了STM32F103C8T6单片机,其主要作用是获取输入部分数据,经过内部处理,控制输出部分。输入由七部分组成,第一部分是ESP32-CAM摄像头模块,用于捕捉到人脸照片,该模块上还有SD卡对照片进行存储;第二部分是DHT11温湿度传感器,通过该模块进行检测农田温湿度值;第三部分是BH750光强传感器,可以进行检测光照强度;第四部分是CO2检测模块,用于检测环境的CO2浓度值;第五部分是PH检测模块,用于检测土壤PH值;第六部分是独立按键,进行拍照、切换界面;第七部分是供电电路给整个系统供电。输出由两部分组成,第一部分是OLED显示屏,显示系统名称、温湿度和光强、CO2和PH值;第二部分是WIFI模块,通过该模块连接阿里云平台上传各项数据,可以远程人脸抓拍。
硬件清单:










