仿真视频演示:
软件安装:
资料预览
效果图:
总体资料:

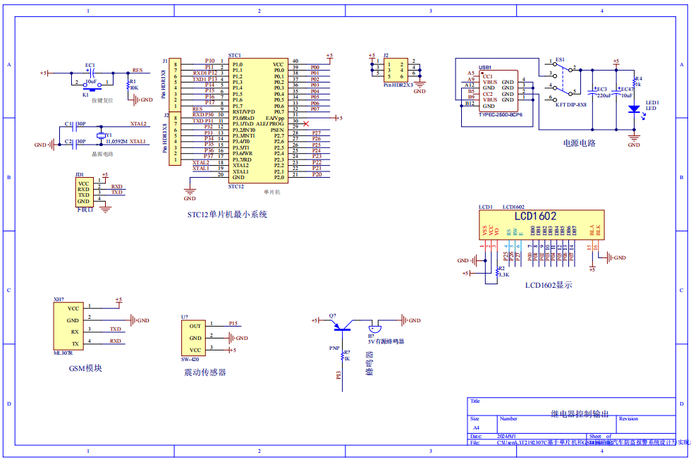
原理图:

软件设计流程:


系统框图:

本设计以STC89C52单片机为核心控制器,加上其他的模块一起组成基于单片机和GSM网络的汽车防盗报警系统设计与实现,其中包含中控部分、输入部分和输出部分。中控部分采用了STC89C52单片机,其主要作用是获取输入部分数据,经过内部处理,控制输出部分。输入由三部分组成,第一部分是震动传感器,用于检测小车是否发生盗窃;第二部分是供电电路,给系统供电;第三部分是独立按键,用于切换界面。输出由三部分组成,第一部分是LCD1602显示屏,显示系统名称和震动次数;第二部分是GSM模块,短信报警;第三部分是蜂鸣器,发生盗窃报警。
硬件清单:










