首页 实物视频演示 仿真视频演示 设计说明书预览 答辩PPT预览
实物视频演示:
软件安装:
资料预览
效果图:

总体资料:

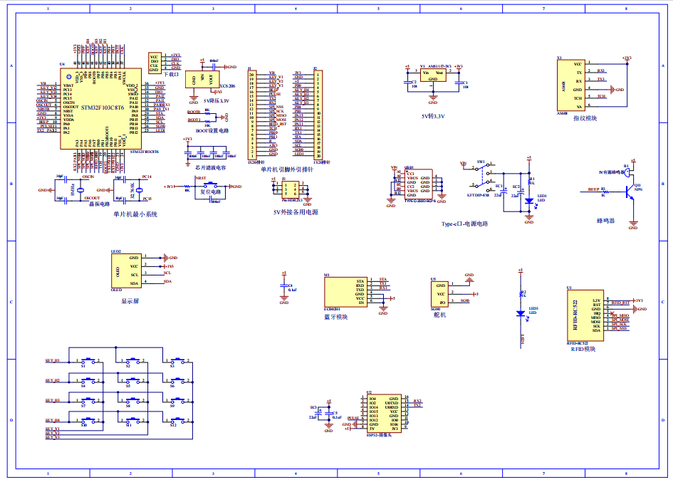
原理图:

软件设计流程:


系统框图:

本设计以STM32F103C8T6单片机为核心控制器,加上其他的模块一起组成基于单片机的智能门禁系统,其中包含中控部分、输入部分和输出部分。中控部分采用了STM32F103C8T63单片机,其主要作用是获取输入部分数据,经过内部处理,控制输出部分。输入由六部分组成,第一部分是ESP32-CAM摄像头模块,用于捕捉到解锁时的人脸照片,该模块上还有SD卡对照片进行存储;第二部分是ECB02蓝牙模块,通过该模块进行一键开关锁;第三部分是指纹模块,可以进行指纹解锁;第四部分是RFID,用作门禁通行卡;第五部分是矩阵键盘,用于密码锁,切换界面、写入或删除卡,修改密码,添加/删除指纹等;第六部分是供电电路给整个系统供电。输出由三部分组成,第一部分是OLED显示屏,显示系统名称,操作提示语、显示开锁状态等;第二部分是舵机,用于模拟门的开关;第三部分是蜂鸣器,用于提示音。
硬件清单:







