首页 实物视频演示 仿真视频演示 设计说明书预览 答辩PPT预览
仿真视频演示:
软件安装:
资料预览
效果图:
总体资料:

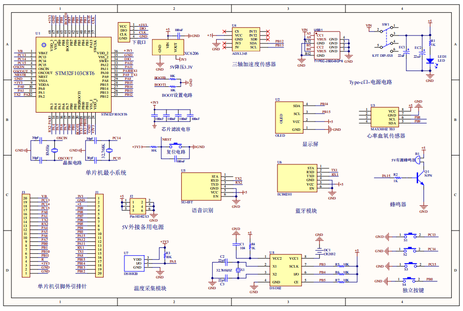
原理图:

软件设计流程:


系统框图:

本设计以STM32单片机为核心控制器,加上其他的模块一起组成基于单片机的智能手环系统设计,其中包含中控部分、输入部分和输出部分。中控部分采用了STM32单片机,其主要作用是获取输入部分数据,经过内部处理,控制输出部分。输入由七部分组成,第一部分是蓝牙模块,实现与按键相同控制功能;第二部分是时钟模块,获取时间;第三部分是三轴加速度传感器,用于检测步数;第四部分是DS18B20温度采集模块,用于检测体温;第五部分是心率血氧检测模块,通过该模块检测心率和血氧值;第六部分是独立按键,用于切换界面、修改时间、设置心率和体温阈值;第七部分是供电电路,给整个系统进行供电。输出由三部分组成,第一部分是OLED显示屏, 显示步数、体温、心率血氧状态和步数,设置阈值和时间等;最后一部分是语音播报模块,当体温和心率体温异常时,久坐时,进行语音提示。
硬件清单:










