首页 实物视频演示 仿真视频演示 设计说明书预览 答辩PPT预览
仿真视频演示:
软件安装:
资料预览
效果图:
总体资料:

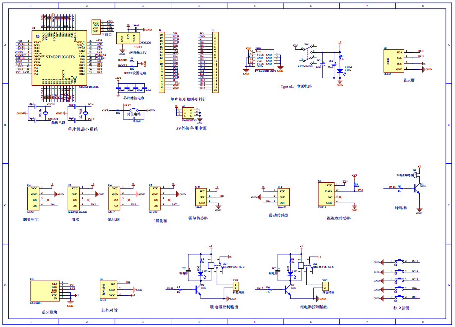
原理图:

软件设计流程:


系统框图:

本设计以STM32单片机为核心控制器,加上其他的模块一起组成基于单片机的仓库环境智能无线监测系统的设计,其中包含中控部分、输入部分和输出部分。中控部分采用了STM32单片机,其主要作用是获取输入部分数据,经过内部处理,控制输出部分。
输入由十部分组成,第一部分是霍尔传感器,用于检测门是否关好;第二部分是震动传感器,用于监测货架的稳定性;第三部分是红外对管,用于检测是否有人入侵;第四部分是MQ-2烟雾传感器,用于检测当前的烟雾值;第五部分是DHT11温湿度传感器,用于检测当前的温湿度值;第六部分是雨水传感器,用于检测当前是否漏雨;第七部分是CO传感器,用于检测当前的CO浓度值;第八部分是CO2检测模块,用于检测当前的二氧化碳浓度值;第九部分是独立按键,进行切换界面和模式,控制加湿器和风扇、设置各项参数阈值。第十部分是供电电路,给整个系统供电。
输出由四部分组成,第一部分是OLED显示屏,显示检测的参数值和模式,显示设置阈值、漏水/稳定/红外/门磁情况;第二部分是2个继电器,用于控制风扇和加湿器;第三部分是蜂鸣器,当采集到温湿度/烟雾/CO/CO2超过设置阈值,蜂鸣器报警;最后一部分是ECB02蓝牙模块,将获取的各项数据通过发送给手机,并通过手机控制实现按键相同功能。
硬件清单:










