首页 实物视频演示 仿真视频演示 设计说明书预览 答辩PPT预览
仿真视频演示:
软件安装:
资料预览
效果图:
总体资料:

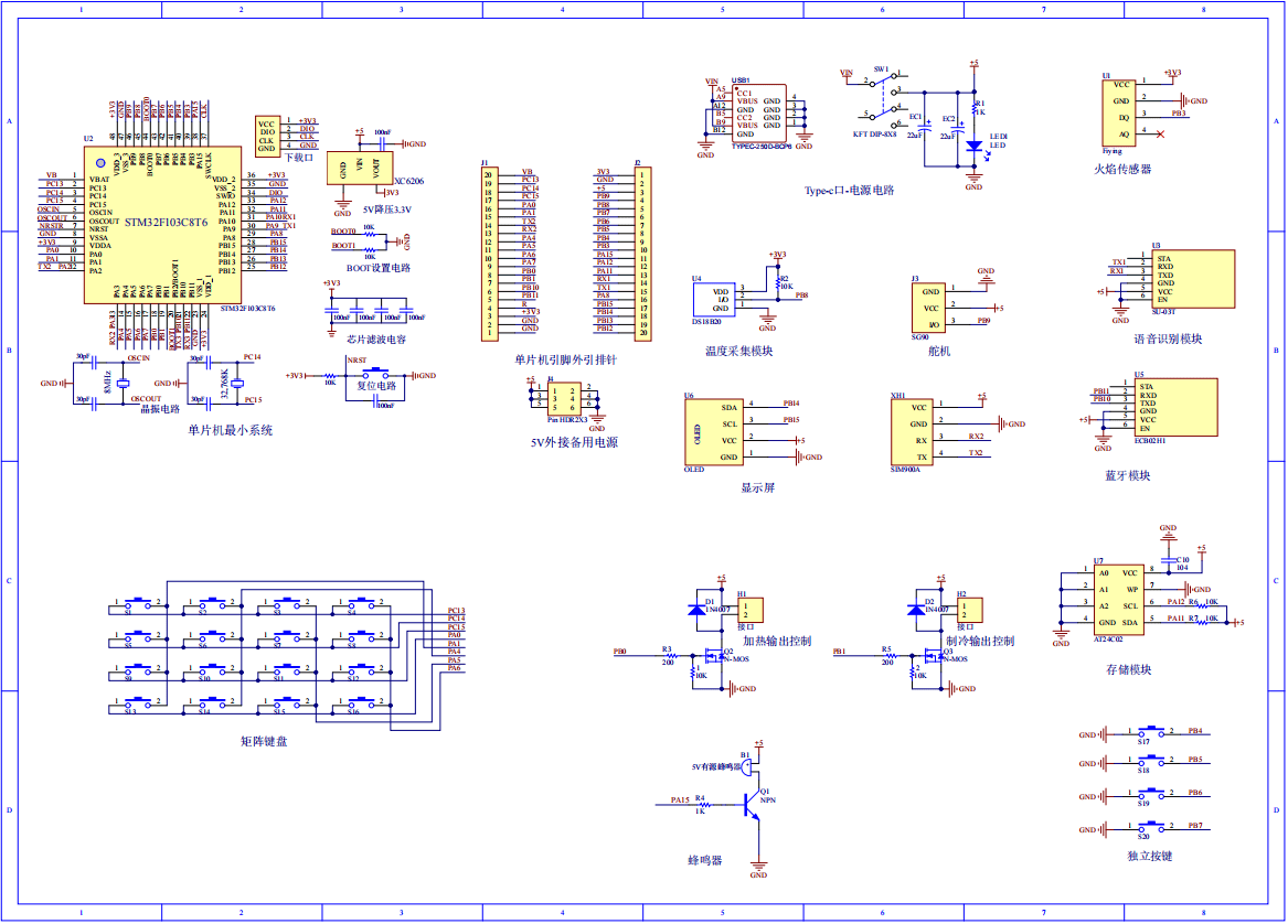
原理图:
软件设计流程:



系统框图:

本设计以STM32F103C8T6单片机为核心控制器,加上其他的模块一起组成基于STM32的恒温储物箱的整个系统,其中包含中控部分、输入部分和输出部分。中控部分采用了STM32F103C8T6单片机,其主要作用是获取输入部分数据,经过内部处理,控制输出部分。输入由六部分组成,第一部分是火焰传感器,用于检测是否有火;第二部分是温度检测模块,用于检测当前的温度;第三部分是存储模块,用于存储数据;第四部分是独立按键,进行切换至设置界面、设置温度阈值、切换保温状态;第五部分是矩阵键盘,用于输入密码、确认识别密码、删除键、修改密码、播报温度、返回主界面以及上锁等;第六部分是供电电路,用于给整个系统供电。
输出由六部分组成;第一部分是OLED显示屏,用于显示温度、保温、加热和制冷状态,还显示输入密码等;第二部分是语音播报模块,可以语音播报温度,控制开关保温;第三部分是2个N-MOS管控制,分别控制加热和制冷;第四部分是蓝牙模块,通过蓝牙上传数据并控制;第五部分是蜂鸣器,若输入的密码不正确,或温度异常或有火焰,则报警;第六部分是GSM模块,当温度异常、或有火灾,发送短信。
硬件清单:











