首页 实物视频演示 仿真视频演示 设计说明书预览 答辩PPT预览
仿真视频演示:
软件安装:
资料预览
效果图:
总体资料:

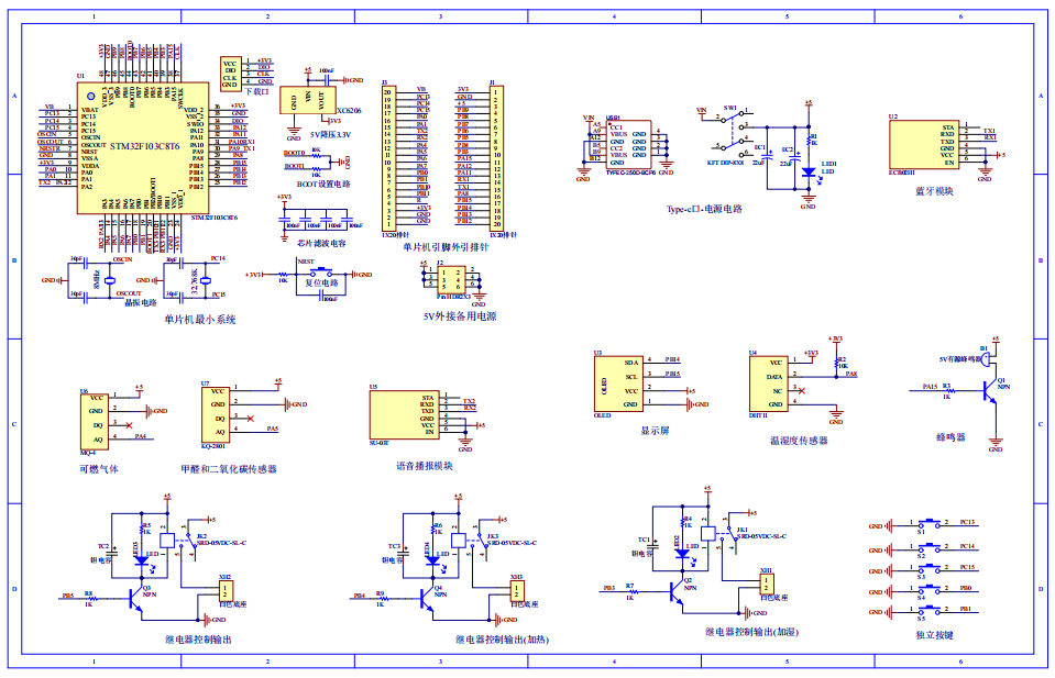
原理图:
软件设计流程:


系统框图:

本设计以STM32单片机为核心控制器,加上其他的模块一起组成基于单片机的室内空气质量检测控制系统,其中包含中控部分、输入部分和输出部分。中控部分采用了STM32单片机,其主要作用是获取输入部分数据,经过内部处理,控制输出部分。输入由五部分组成,第一部分是DHT11温湿度传感器,用于检测当前环境的温湿度值;第二部分是MQ-4可燃性气体检测,用于检测可燃性气体浓度值;第三部分是MQ-135气体检测模块,用于检测空气甲醛情况;第四部分是独立按键,用于切换界面、设置温湿度、甲醛和可燃性气体阈值;第五部分是供电电路,给整个系统供电。
输出由五部分组成,第一部分是OLED显示屏,用于显示获取的测量值,和设置阈值;第二部分是蓝牙模块,主要将获取的数据上传至手机;第三部分是蜂鸣器,当温湿度/可燃气体/甲醛值异常,蜂鸣器报警;第四部分是3个继电器,分别用于降温、通风和加湿;最后是SU-03T语音播报,当温湿度/可燃气体/甲醛值异常,进行语音提示。
硬件清单:











