首页 实物视频演示 仿真视频演示 设计说明书预览 答辩PPT预览
仿真视频演示:
软件安装:
资料预览
效果图:
总体资料:

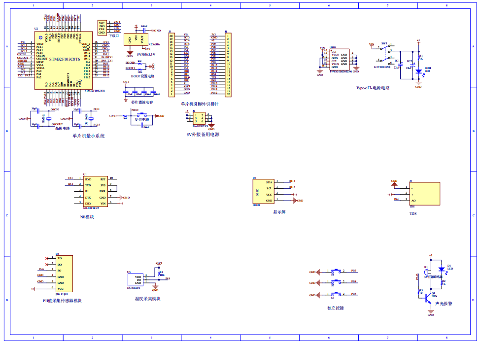
原理图:

软件设计流程:



系统框图:

本设计以STM32单片机为核心控制器,加上其他的模块一起组成基于单片机的水质检测的整个系统,其中包含中控部分、输入部分和输出部分。中控部分采用了STM32单片机,其主要作用是获取输入部分数据,经过内部处理,控制输出部分。输入由六部分组成,第一部分是温度传感器,用于检测温度值;第二部分是TDS检测模块,用于检测水的电导率。第三部分是PH检测模块,用于检测水的PH值;第四部分是浑浊度检测模块,用于检测水的浑浊度;第五部分是独立按键,用于切换界面、设置PH、导电率和浑浊度、温度阈值。第六部分是供电电路,给整个系统进行供电。输出由三部分组成,第一部分是OLED显示屏, 显示温度、PH、电导率、浑浊度值及其阈值。第二部分是声光报警,检测到相关参数异常时,蜂鸣器报警;第三部分是NB-lot模块,上传获取的数据到云平台,并进行设置阈值。
硬件清单:










