首页 实物视频演示 仿真视频演示 设计说明书预览 答辩PPT预览
仿真视频演示:
软件安装:
资料预览
效果图:
总体资料:

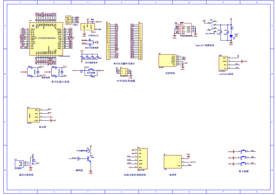
原理图:

软件设计流程:


系统框图:

本设计以STM32单片机为核心控制器,加上其他的模块一起组成基于单片机的水质检测整个系统,其中包含中控部分、输入部分和输出部分。中控部分采用了STM32单片机,其主要作用是获取输入部分数据,经过内部处理,控制输出部分。输入由七部分组成,第一部分是水位传感器,用于检测当前水位值;第二部分是PH检测模块,用于获取当前的水PH值;第三部分是TDS检测模块,用于检测可溶解性电解质;第四部分是DS18B20温度传感器,用于检测水的温度值;第五部分是浑浊度检测模块,用于检测浑浊度值;第六部分是独立按键,用于切换界面、开关报警和语音、设置浑浊度、TDS、PH、温度和水位阈值;第七部分是供电电路,给整个系统供电。输出由五部分组成,第一部分是OLED显示屏,显示TDS、浑浊度、PH、水位、水温值及阈值;第二部分是SU-03T语音播报,进行语音播报各项数据值;第三部分是4G模块,通过该模块连接云平台传输获取的数据,同时手机可以设置;第四部分是蜂鸣器,当各项参数值异常时,蜂鸣器报警;最后一部分是继电器,当水温小于水温阈值,进行加热。
硬件清单:










