仿真视频演示:
软件安装:
资料预览
效果图:
总体资料:

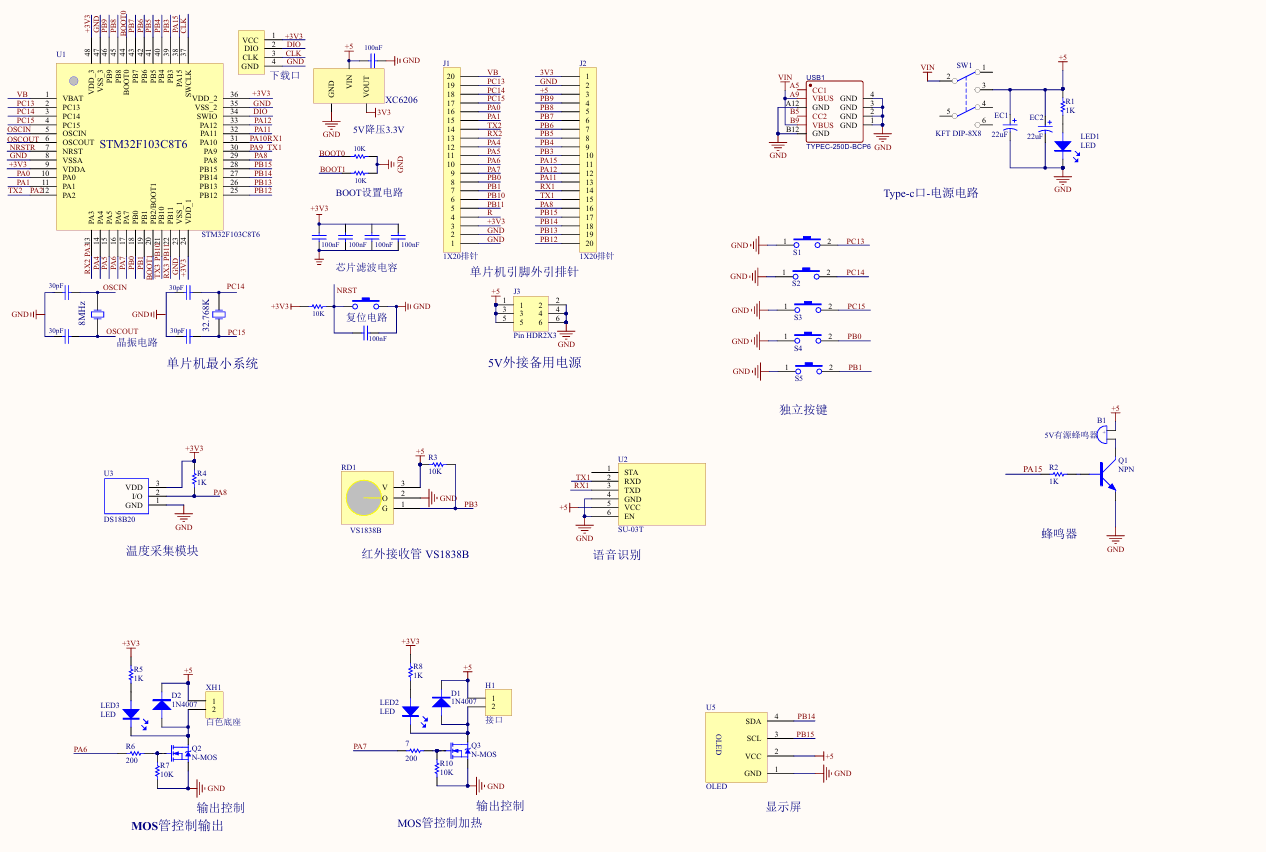
原理图:
软件设计流程:



系统框图:

本设计以STM32单片机为核心控制器,加上其他的模块一起组成基于单片机的智能暖风机设计的整个系统,其中包含中控部分、输入部分和输出部分。中控部分采用了STM32单片机,其主要作用是获取输入部分数据,经过内部处理,控制输出部分。输入由六部分组成,第一部分是温度采集,通过该模块可检测当前的温度值;第二部分是红外接收管,通过该模块可使用红外遥控器操作,可控制智能暖风机的开关、暖风档位;第三部分是语音识别,通过该模块可通过语言调节档位、开关;第四部分是独立按键,通过该模块可切换界面、设定档位、定时任务状态;第五部分是供电电路,给整个系统进行供电。
输出由三部分组成,第一部分是OLED显示模块, 通过该模块可以当前实时显示当前环境温度、设定档位、定时任务状态;第二、三部分是2个N-MOS管控制的加热片以及暖风机开关控制,可控制智能暖风机的开关、暖风档位;第三部分是蜂鸣器,当暖风机出现过热等故障时,智能暖风机可进行报警,提醒用户及时自动关闭暖风机。














1