首页 实物视频演示 设计说明书预览 答辩PPT预览
![]()
实物视频演示:
软件安装:
资料预览
效果图:
![]()

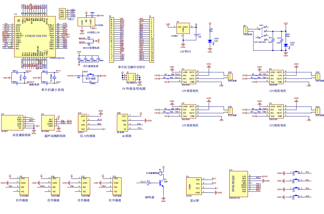
总体资料:

原理图:
软件设计流程:

系统框图:

本设计以STM32单片机为核心控制器,加上其他的模块一起组成基于STM32的智能送餐车设计的整个系统,其中包含中控部分、输入部分和输出部分。中控部分采用了STM32单片机,其主要作用是获取输入部分数据,经过内部处理,控制输出部分。输入由六部分组成,第一部分是HC-SR04超声波测距模块,通过该模块可检测障碍物和小车的距离;第二部分是HX711称重模块,通过该模块检测重量;第三部分是4个红外循迹模块,用于识别规定路线行驶;第四部分是RFID,可以识别到不同的送餐点位置;第五部分是独立按键,进行点菜操作,出餐按钮等;第六部分是供电电路,给整个系统进行供电。输出由五部分组成,第一部分是OLED显示屏,通过该模块可以显示餐桌选择,点菜流程和菜品等;第二部分是4个直流电机驱动芯片,用于驱动送餐车运行;第三部分是SU-03T语音播报,可以播报点餐提示语、餐品送达提示语以及遇到障碍物提示避障障碍语;第四部分是蜂鸣器,提示避障;最后一个部分时4G模块,用于连接阿里云实现远程通信,确保送餐车与中央控制系统之间的数据传输稳定、高效。
硬件清单:









系统框图:
