首页 实物视频演示 仿真视频演示 设计说明书预览 答辩PPT预览
仿真视频演示:
软件安装:
资料预览
效果图:
总体资料:

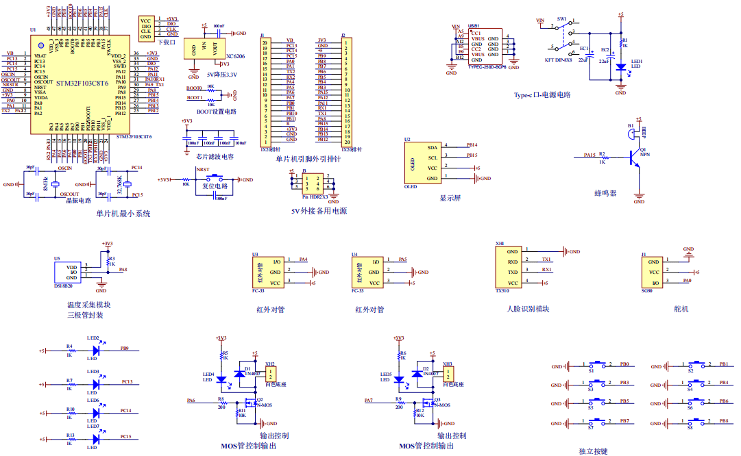
原理图:
软件设计流程:

系统框图:

本设计以STM32单片机为核心控制器,加上其他的模块一起组成基于STM32的智能教室管理系统设计与实现,其中包含中控部分、输入部分和输出部分。中控部分采用了STM32单片机,其主要作用是获取输入部分数据,经过内部处理,控制输出部分。输入由五部分组成,第一部分是人脸识别模块,通过摄像头识别人脸打卡;第二部分是温度采集模块,获取温度;第三部分是红外对管,用于人体检测,避免关门夹人,提升安全性;第五部分是独立按键,用于切换界面,设置阈值控制设备等;第六部分是供电电路,给整个系统进行供电。输出由五部分组成,第一部分是OLED显示屏, 显示温度、预约人数、实到人数、操作提示、设置阈值界面;第二部分是两个MOS管控制输出,控制制热、制冷;第三部分是舵机,控制开关门;第三部分是LED灯,控制照明;第四部分是蜂鸣器,提示。
硬件清单:








总体资料:
软件设计流程:
系统框图:

