首页 实物视频演示 仿真视频演示 设计说明书预览 答辩PPT预览
仿真视频演示:
软件安装:
资料预览
效果图:
总体资料:

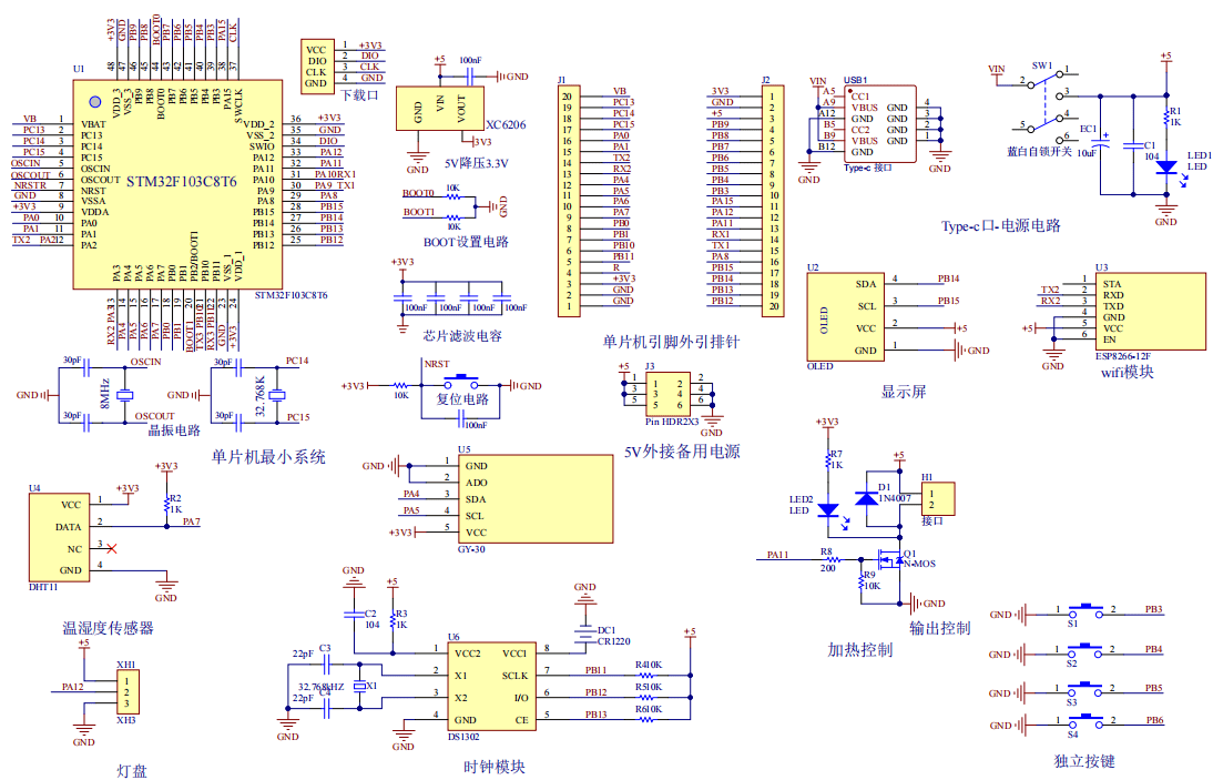
原理图:
软件设计流程:

系统框图:

本设计以STM32单片机为核心控制器,加上其他的模块一起组成基于STM32的香薰灯的整个系统,其中包含中控部分、输入部分和输出部分。中控部分采用了STM32单片机,其主要作用是获取输入部分数据,经过内部处理,控制输出部分。输入由五部分组成,第一部分是DHT11温湿度传感器,用于获取温湿度值;第二部分是DS1302时钟模块,用于获取时间;第三部分是GY-30光照传感器,用于获取光照值;第四部分是独立按键,用于切换界面,开关加热和灯,修改时间和定时;第五部分是供电电路,给整个系统供电。输出由四部分组成,第一部分是OLED显示屏,可以显示温湿度、光照强度,时间和灯开关等;第二部分是RG灯盘,可以进行照明;第三部分是加热片,可以控制香薰挥发;最后一部分是WIFI模块,用于连接手机,将获取到的数据等上传至手机,同时还可以设置定时等。
硬件清单:









总体资料:
软件设计流程:
系统框图:
