首页 实物视频演示 设计说明书预览 答辩PPT预览
实物视频演示:
软件安装:
资料预览
效果图:



总体资料:

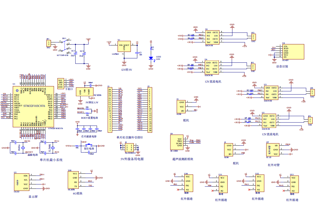
原理图:
软件设计流程:

系统框图:

本设计以STM32单片机为核心控制器,加上其他的模块一起组成基于单片机的多功能垃圾车的整个系统,其中包含中控部分、输入部分和输出部分。中控部分采用了STM32单片机,其主要作用是获取输入部分数据,经过内部处理,控制输出部分。输入由四部分组成,第一部分是HC-SR04超声波测距模块,通过该模块可判断垃圾桶是否装满;第二部分是4个红外循迹模块,循迹小车按照指定路线运行;第三部分是红外对管,用于检测是否有人;第四部分是供电电路,给整个系统进行供电。输出由五部分组成,第一部分是OLED显示模块, 通过该模块可以显示系统名称、容量,桶盖状态等;第二部分是四个直流电机驱动芯片及电机,控制小车的四个轮子;第三部分是2个SG90舵机,用于模拟垃圾桶倾倒垃圾;第四个部分是语音播报模块,执行操作之前,进行播报;最后一个部分是4G模块,该模块可实现实时数据传输、远程控制及垃圾状态监控。
硬件清单:







总体资料:
软件设计流程:
系统框图:
