首页 实物视频演示 仿真视频演示 设计说明书预览 答辩PPT预览
仿真视频演示:
软件安装:
资料预览
效果图:
总体资料:

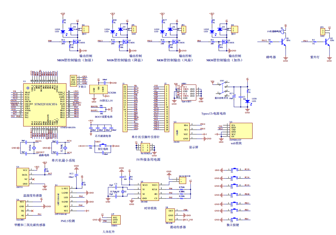
原理图:
软件设计流程:

系统框图:

本设计以STM32F103单片机为核心控制器,加上其他的模块一起组成基于单片机的多功能车载摆件系统设计,其中包含中控部分、输入部分和输出部分。中控部分采用了STM32F103单片机,其主要作用是获取输入部分数据,经过内部处理,控制输出部分。输入由四部分组成,第一部分是温湿度传感器,监测环境温湿度;第二部分是甲醛和二氧化碳传感器,检测甲醛和二氧化碳浓度;第三部分是PM2.5检测模块,检测PM2.5浓度;第四部分是人体红外,检测是否有人闯入;第五部分是震动传感器,检测震动是否有人闯入;第六部分是时钟模块,获取网络时间;第七部分是独立按键,可以切换界面、设置阈值,修改时间等操作;第八部分是供电电路,给整个系统供电。输出由五部分组成,第一部分是OLED显示屏,显示传感器检测到的数据、设置阈值界面等;第二部分是四个MOS管控制输出,控制加湿、降温、风扇、加热;第三部分是蜂鸣器,检测到异常情况,蜂鸣器报警提醒;第四部分是紫外灯,照明;第五部分是WIFI模块,数据上传云平台连接手机APP远程监控控制。
硬件清单:









总体资料:
软件设计流程:
系统框图:
