首页 实物视频演示 仿真视频演示 设计说明书预览 答辩PPT预览
仿真视频演示:
软件安装:
资料预览
效果图:
总体资料:

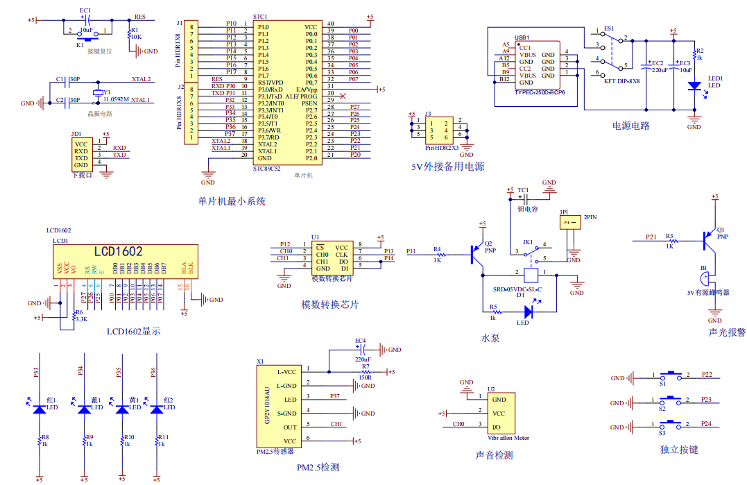
原理图:
软件设计流程:

系统框图:

本设计以STC89C52单片机为核心控制器,加上其他的模块一起组成基于单片机的酒驾报警装置,其中包含中控部分、输入部分和输出部分。中控部分采用了STC89C52单片机,其主要作用是获取输入部分数据,经过内部处理,控制输出部分。输入由三部分组成,第一部分是酒精传感器和ADC0832组成的,通过该模块获取酒精浓度;第二部分是独立按键,用于切换显示界面,设置阈值;第三部分是供电电路,给整个系统进行供电。输出由四部分组成,第一部分是LCD1602显示模块,可以显示当前酒精浓度、阈值等界面;第二部分时声光报警模块,酒精浓度超过阈值,声光报警提醒;第三部分时GSM模块,发送短信通知。
硬件清单:









总体资料:
软件设计流程:
系统框图:
