首页 实物视频演示 仿真视频演示 设计说明书预览 答辩PPT预览
实物视频演示:
软件安装:
资料预览
效果图:

总体资料:

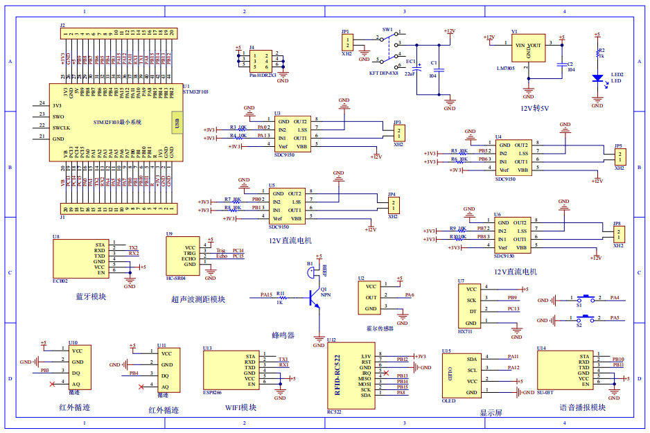
原理图:

软件设计流程:


系统框图:

本设计以STM32F103单片机为核心控制器,加上其他的模块一起组成的基于单片机的RFID小车控制的整个系统,包含中控部分、输入部分和输出部分。中控部分采用了STM32F103单片机,其主要作用是获取输入部分数据,经过内部处理,控制输出部分。输入由八部分组成,第一部分是RFID,用于识别卡,来识别商品信息;第二部分是HC-SR04超声波测距模块,用于检测与障碍物的距离,用于避障;第三部分是HX711重量检测模块,用于检测是否有货物。第四部分是2个红外循迹模块,规划指定路线运行。第五部分是霍尔传感器,用于检测到达站点的;第六部分是ECB02蓝牙模块,通过蓝牙控制小车运行和切换模式;第七部分是独立按键,用于设置商品1;按键或刷卡2,设置商品2;最后一部分是供电电路,给整个系统供电。输出由五部分组成,第一部分是OLED显示屏,显示车前距离、小车载重、运载哪个商品以及是否运载商品;第二部分是4个直流电机,用于驱动小车移动。第三部分是SU-03T语音模块,到达终点后,进行语音提示;第四部分是蜂鸣器,当遇到障碍物时,进行报警;最后一部分是WIFI模块,通过该模块上传数据至云平台并利用进行控制。
硬件清单:







