首页 实物视频演示 仿真视频演示 设计说明书预览 答辩PPT预览
仿真视频演示:
软件安装:
资料预览
效果图:
总体资料:

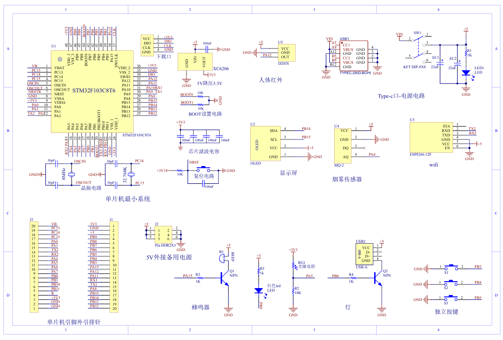
原理图:

软件设计流程:


系统框图:

本设计以STM32单片机为核心控制器,加上其他的模块一起组成基于单片机的智能灯管理设计的整个系统,其中包含中控部分、输入部分和输出部分。中控部分采用了STM32单片机,其主要作用是获取输入部分数据,经过内部处理,控制输出部分。输入由四部分组成,第一部分是烟雾传感器,用于检测当前烟雾值;第二部分是光敏电阻,检测当前的光照强度;第三部分是人体红外,用于检测是否有人;第四部分是独立按键,通过按键切换模式,调节灯亮度;第五部分是供电电路,给整个系统进行供电。输出由五部分组成,第一部分是OLED显示模块, 通过该模块显示系统名称、模式、光强和烟雾,是否有人,灯光状态等;第二部分是USB灯,进行照明;第三部分为蜂鸣器和LED灯组成声光报警,当检测到烟雾超过阈值,进行报警;最后一部分为WIFI模块,用于连接云平台上传数据至手机,还可以通过云平台控制模式,开关灯。
硬件清单:











作者在不