首页 实物视频演示 仿真视频演示 设计说明书预览 答辩PPT预览
仿真视频演示:
软件安装:
资料预览
效果图:
总体资料:

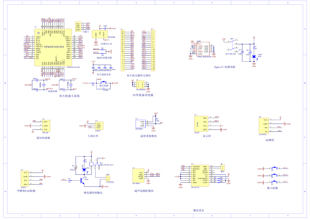
原理图:

软件设计流程:


系统框图:

本设计以STM32F103单片机为核心控制器,加上其他的模块一起组成儿童误锁车内远程报警的整个系统,其中包含中控部分、输入部分和输出部分。中控部分采用了STM32F103单片机,其主要作用是获取输入部分数据,经过内部处理,控制输出部分。输入由七部分组成,第一部分是震动模块,检测后座是否有震动;第二部分是超声波测距模块,用于检测距离;第三部分是SGP30传感器,用于检测CO2浓度值;第四部分是DS8B20温度采集模块,用于获取车内的温度值;第五部分是人体红外,用于检测车内是否有小孩;第六部分是是独立按键,用于设置汽车锁车状态、关闭播报、震动清零;第七部分是供电电路,给整个系统进行供电。输出由四部分组成,第一部分是OLED显示模块,显示汽车状态、温度/距离/CO2、车内是否有小孩等;第二部分是继电器,模拟锁车;第三部分是DY-SV17F触发语音,车内有小孩时进行播报录音;最后一部分是Air724UG-4G模块连接阿里云,可以通过手机app查看温度和是否有小孩,以及控制语音播报。
硬件清单:










