首页 实物视频演示 仿真视频演示 设计说明书预览 答辩PPT预览
实物视频演示:
软件安装:
资料预览
效果图:

总体资料:

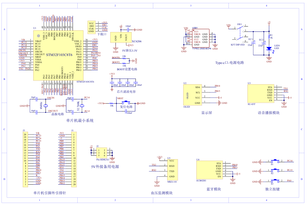
原理图:

软件设计流程:


系统框图:

本设计以STM32F103单片机为核心控制器,加上其他的模块一起组成基于单片机的电子血压计的设计,其中包含中控部分、输入部分和输出部分。中控部分采用了STM32F103单片机,其主要作用是获取输入部分数据,经过内部处理,控制输出部分。输入由三部分组成,第一部分是血压监测模块,用于监测当前的血压心率值;第二部分是独立按键,用于语音播报、切换界面、开关测量和设置血压心率阈值;第三部分是供电电路,给整个系统供电;输出由两部分组成,分别是OLED显示屏、SU-03T声控模块。第一部分是OLED显示屏,用于显示检测到的血压心率值和设置的血压心率阈值,以及测量状态“正在测量”;第二部分是SU-03T声控模块,血压或心率出现异常时,播报相应的语音;第三部分是蓝牙模块,将获取的数据上传至手机端,可以查看,进行阈值的设置。
硬件清单:







