首页 实物视频演示 仿真视频演示 设计说明书预览 答辩PPT预览
仿真视频演示:
软件安装:
资料预览
效果图:
总体资料:

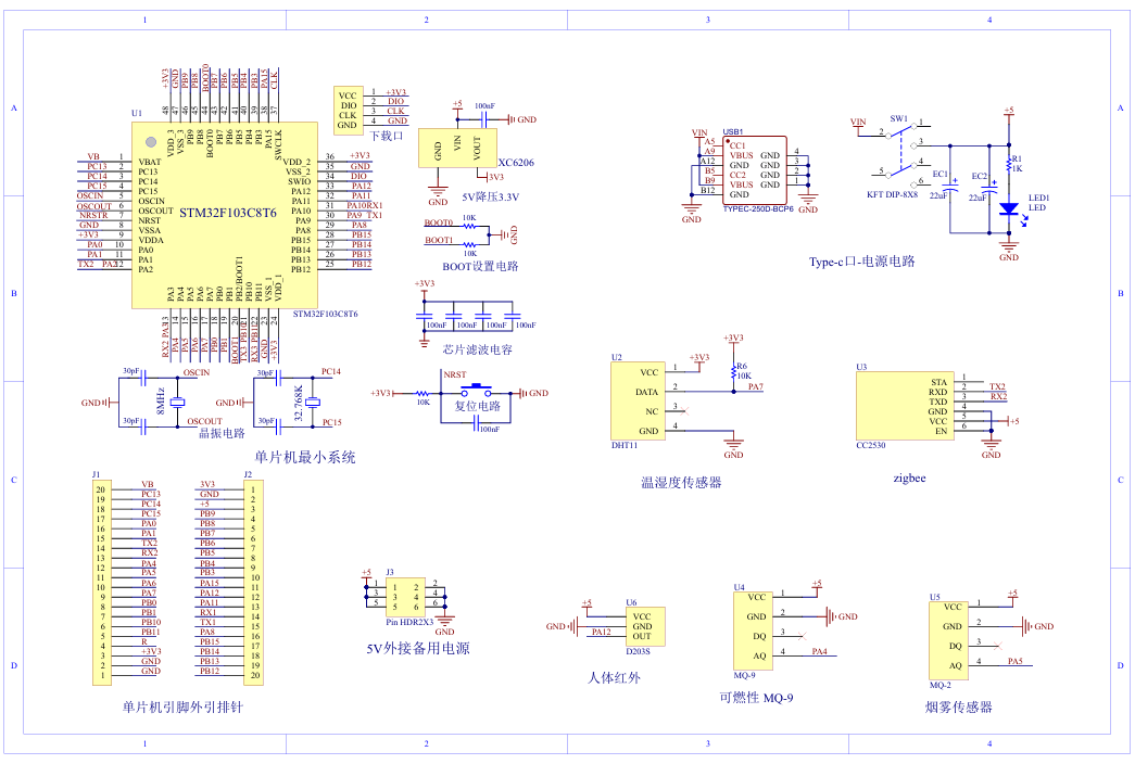
原理图:
从机:

主机:
软件设计流程:



系统框图:

本设计以STM32单片机为核心控制器,加上其他的模块一起组成的基于zigbee的校园宿舍环境的安全检测的整个系统,其中包含中控部分、输入部分和输出部分。中控部分采用了STM32单片机,其主要作用是获取输入部分数据,经过内部处理,控制输出部分。该系统分为从机部分和主机部分,主机输入部分由三部分组成,第一部分是独立按键,进行切换界面、设置温湿度、烟雾、可燃气气体阈值;第二部分Zigbee模块,与从机进行数据传输;第三部分是供电电路,给主机供电。输出由两部分组成,第一部分是OLED显示屏,用于显示从机获取的数据,以及显示设置阈值;第二部分是蜂鸣器,当检测值不在阈值内,蜂鸣器报警。
从机输入部分由五部分组成,第一部分是温湿度传感器,通过该模块检测温湿度值;第二部分是人体红外,用于检测是否有人;第三部分是烟雾传感器,用于检测烟雾浓度值;第四部分是可燃性气体传感器,用于检测可燃性气体值;第五部分是供电电路,给从机提供电源;输出由一部分组成,是Zigbee模块,与主机进行数据传输。
硬件清单:
从机:

主机:











