首页 实物视频演示 仿真视频演示 设计说明书预览 答辩PPT预览
实物视频演示:
软件安装:
资料预览
效果图:

总体资料:

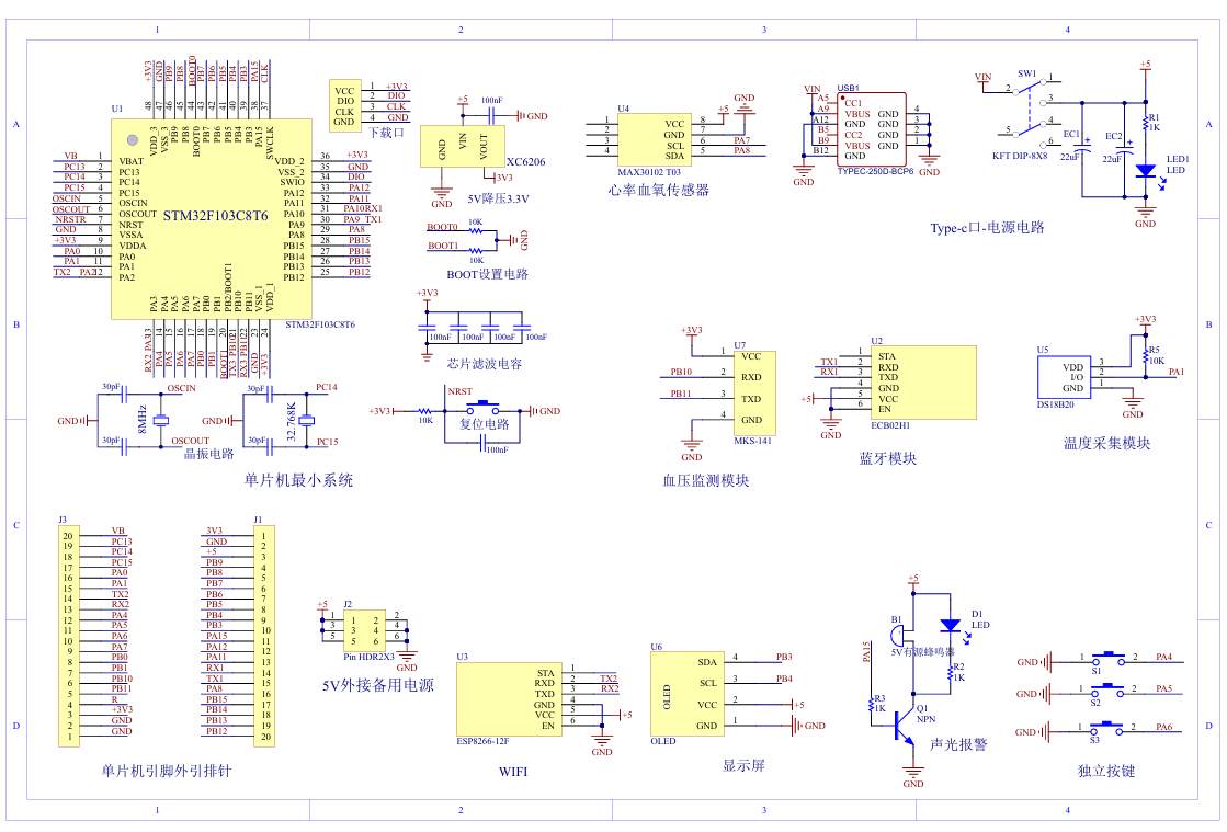
原理图:

软件设计流程:


系统框图:

本设计以STM32单片机为核心控制器,加上其他的模块一起组成基于stm32的健康监测仪控制系统设计的整个系统,其中包含中控部分、输入部分和输出部分。中控部分采用了STM32F103单片机,其主要作用是获取输入部分数据,经过内部处理,控制输出部分。输入由五部分组成,第一部分是血压监测模块,用于监测当前的血压值;第二部分是MAX30102心率血氧传感器,通过该模块检测当前的心率和血氧值;第三部分是DS18B20温度采集模块,通过该模块检测当前温度值;第四部分是独立按键,用于切换界面、开关测量血压、设置心率血氧阈值;第五部分是供电电路,给整个系统进行供电。输出由四部分组成,第一部分是OLED显示模块, 显示当前的心率、血氧值、温度以及心率阈值和血氧下限值等;第二部分是HC-05蓝牙模块,通过该模块实时传输温度、心率、血氧和血压值;第三部分是声光报警,当测得心率或血氧异常时,进行声光报警;最后一部分是WIFI模块,通过该模块连接云平台,可以实时查看温度/心率/血氧/血压值、同时可以设置心率血氧、血压阈值。
硬件清单:



 
         
         
        
