首页 实物视频演示 仿真视频演示 设计说明书预览 答辩PPT预览
仿真视频演示:
软件安装:
资料预览
效果图:
总体资料:

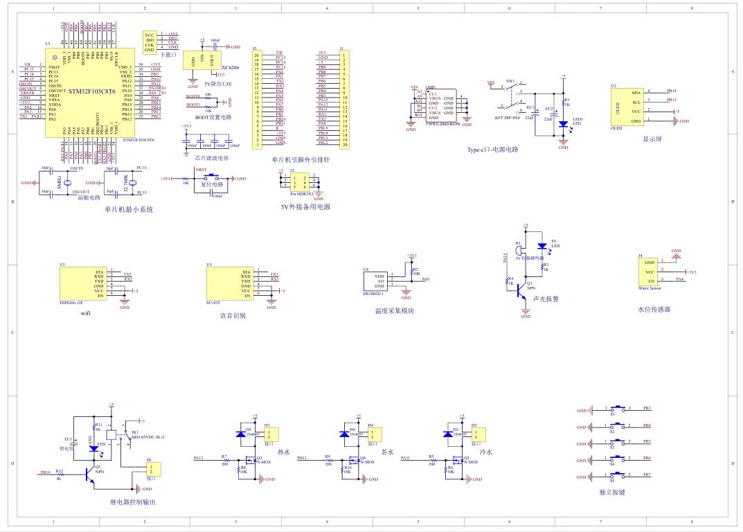
原理图:

软件设计流程:



系统框图:

本设计以STM32单片机为核心控制器,加上其他的模块一起组成基于STM32单片机的智能饮水机的整个系统,其中包含中控部分、输入部分和输出部分。中控部分采用了STM32单片机,其主要作用是获取输入部分数据,经过内部处理,控制输出部分。输入由五部分组成,第一部分是语音模块,用于语音控制加热/冷水/热水/茶水开关等;第二部分是温度采集模块,用于检测当前水温;第三部分是水位传感器,用于检测当前水位;第四部分是独立按键,可以切换界面、开关儿童锁、开关加热/制冷/热水/茶水以及设置温度阈值;第五部分是供电电路,给整个系统供电。输出由五部分组成,第一部分是OLED显示屏,显示系统名称、温度/水位、模式、儿童锁开关等;第二部分是继电器,用于加热;第三部分是3个N-MOS管,用于接冷热水、茶水;第四部分是声光报警,温度超过其阈值,进行声光报警;最后一部分是WIFI模块,用于连接手机传输数据,同时利用wifi进行远程设置温度阈值、控制加热/冷水/热水/开关等。
硬件清单:










