首页 实物视频演示 仿真视频演示 设计说明书预览 答辩PPT预览
仿真视频演示:
软件安装:
资料预览
效果图:
总体资料:

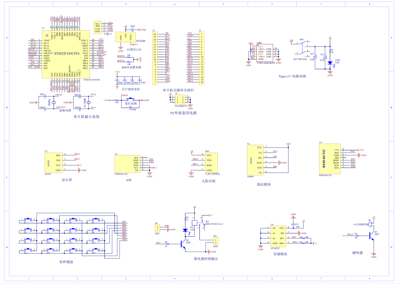
原理图:

软件设计流程:



系统框图:

本设计以STM32单片机为核心控制器,加上其他的模块一起组成基于单片机的智能门禁设计的整个系统,其中包含中控部分、输入部分和输出部分。中控部分采用了STM32单片机,其主要作用是获取输入部分数据,经过内部处理,控制输出部分。输入由六部分组成,第一部分是人脸识别模块,用于检测人脸识别开锁;第二部分是RFID卡片检测模块,通过该模块可检测门禁卡;第三部分是AS608指纹模块,通过该模块指纹解锁;第四部分是AT24C02存储模块,通过该模块存储管理员密码和开门密码;第五部分是4*4矩型键盘,通过该键盘切换界面、输入密码、修改密码、添加/删除门禁卡、添加删除/指纹、管理卡和配网等;第六部分是供电电路,给整个系统进行供电。输出由四部分组成,第一部分是OLED显示模块, 通过该模块可以显示输入密码、密码错误、门开、门禁卡错误、配网二维码等;第二部分是继电器,通过继电器控制是否开锁;第三部分是蜂鸣器,当门打开时,蜂鸣器响三声,当密码/指纹/门禁卡错误时,蜂鸣器报警;第四部分是WiFi模块,通过该模块连接手机,然后在手机上查看锁的状态和开锁。
硬件清单:










