首页 实物视频演示 仿真视频演示 设计说明书预览 答辩PPT预览
仿真视频演示:
软件安装:
资料预览
效果图:
总体资料:

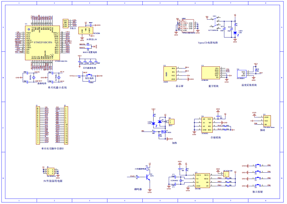
原理图:

软件设计流程:



系统框图:

本设计以STM32单片机为核心控制器,加上其他的模块一起组成基于单片机的发热理疗腰带控制器设计,其中包含中控部分、输入部分和输出部分。中控部分采用了STM32单片机,其主要作用是获取输入部分数据,经过内部处理,控制输出部分。输入由六部分组成,第一部分是温度传感器,用于检测当前的温度值;第二部分是AT24C02存储模块,用于存储数据;第三部分是时钟模块,用于获取当前的时间;第四部分是振动传感器,用于检测当前振动频率;第五部分是独立按键,可以切换模式、设置温度阈值和定时时间,修改时间,设置按摩强度和查看数据;第六部分是供电电路,给整个系统进行供电。
输出由四部分组成,第一部分是OLED显示模块, 显示时间、模式和温度,按摩强度,加热状态和设置阈值和时间等;第二部分是N-MOS管,可以控制加热;第三部分是蜂鸣器,当温度超过阈值,进行报警;最后一部分是蓝牙模块,结束蓝牙指令进行控制,或上传数据。
硬件清单:










