首页 实物视频演示 设计说明书预览 答辩PPT预览
实物视频演示:
软件安装:
资料预览
效果图:

总体资料:

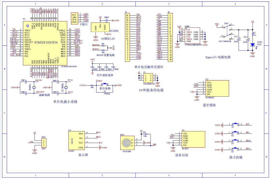
原理图:

软件设计流程:


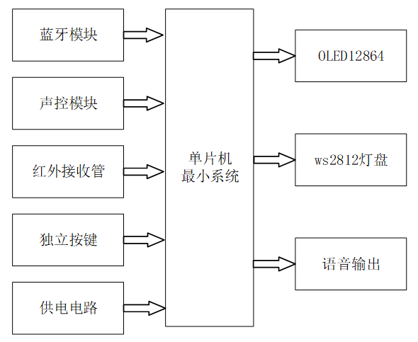
系统框图:

本设计以STM32F103C8T6单片机为核心控制器,加上其他的模块一起组成基于单片机的跳绳运动管理的整个系统,其中包含中控部分、输入部分和输出部分。中控部分采用了STM32F103C8T6单片机进行处理。输入由四部分组成,分别是霍尔元件、心率血氧监测模块、独立按键和供电电路;输出部分包括OLED显示模块和语音识别模块。霍尔元件用于检测跳绳次数,MAX30102心率血氧检测模块用于检测运动者的心率和血氧,得到的跳绳次数和心率血氧通过OLED进行显示,两个按键分别用于开始计时和停止计时,停止计时后通过语音识别模块播报跳绳次数和时间;供电电路则给整个系统进行供电。
硬件清单:







