首页 实物视频演示 仿真视频演示 设计说明书预览 答辩PPT预览
仿真视频演示:
软件安装:
资料预览
效果图:
总体资料:

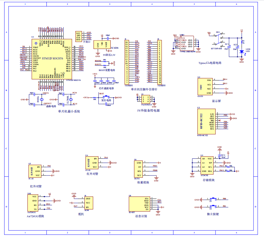
原理图:

软件设计流程:



系统框图:

本设计以STM32单片机为核心控制器,加上其他的模块一起组成基于STM32单片机的智能地磅系统设计,其中包含中控部分、输入部分和输出部分。中控部分采用了STM32单片机,其主要作用是获取输入部分数据,经过内部处理,控制输出部分。输入由六部分组成,第一部分是HX711称重模块,通过该模块检测车辆的重量;第二部分是2个红外对管,通过该模块检测车辆位置是否对上;第三部分是RFID模块,通过该模块实现车辆信息的录入;第四部分是AT24C02存储模块,通过该模块来存储车辆信息、称重时间及重量等信息;第五部分是独立按键,用于切换界面、校时;第六部分是供电电路给整个系统供电。输出由四部分组成,第一部分是OLED显示屏,用于显示系统名称,时间,提示刷卡上磅,显示车辆称重是否正常以及车辆信息;第二部分是SG90舵机,通过该模块当作闸门,防止车辆作弊;第三部分是SU-03T语音播报,若车辆异常,进行语音警告;最后一部分是4G模块,通过该模块上传获取的数据至手机。
硬件清单:










