首页 实物视频演示 仿真视频演示 设计说明书预览 答辩PPT预览
仿真视频演示:
软件安装:
资料预览
效果图:
总体资料:

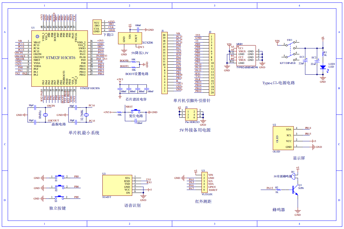
原理图:

软件设计流程:


系统框图:

本设计以STM32单片机为核心控制器,加上其他的模块一起组成基于单片机红外倒车雷达测距系统设计的整个系统,其中包含中控部分、输入部分和输出部分。中控部分采用了STM32单片机,其主要作用是获取输入部分数据,经过内部处理,控制输出部分。主机的输入由三部分组成,第一部分是vl53l0x激光测距传感器,用于获取距离;第二部分是独立按键,用于切换显示界面、设置安全距离;第三部分是供电电路,给整个系统进行供电。输出由两部分组成,第一部分是OLED显示屏,用于显示系统名称,距离以及距离是否安全,显示设置安全距离;第二部分是语音播报,当处于危险距离时,进行语音提示;最后一部分是蜂鸣器,当测距小于安全距离时,蜂鸣器进行报警。
硬件清单:











💪