首页 实物视频演示 设计说明书预览 答辩PPT预览
实物视频演示:
软件安装:
资料预览
效果图:
叫号端:

取号端:
总体资料:

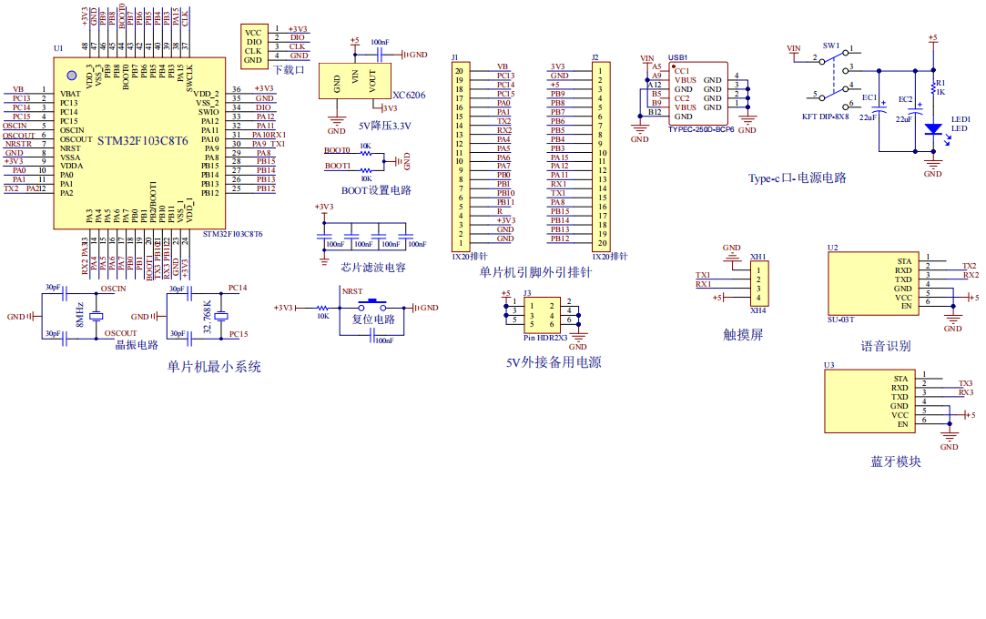
原理图:
叫号端:
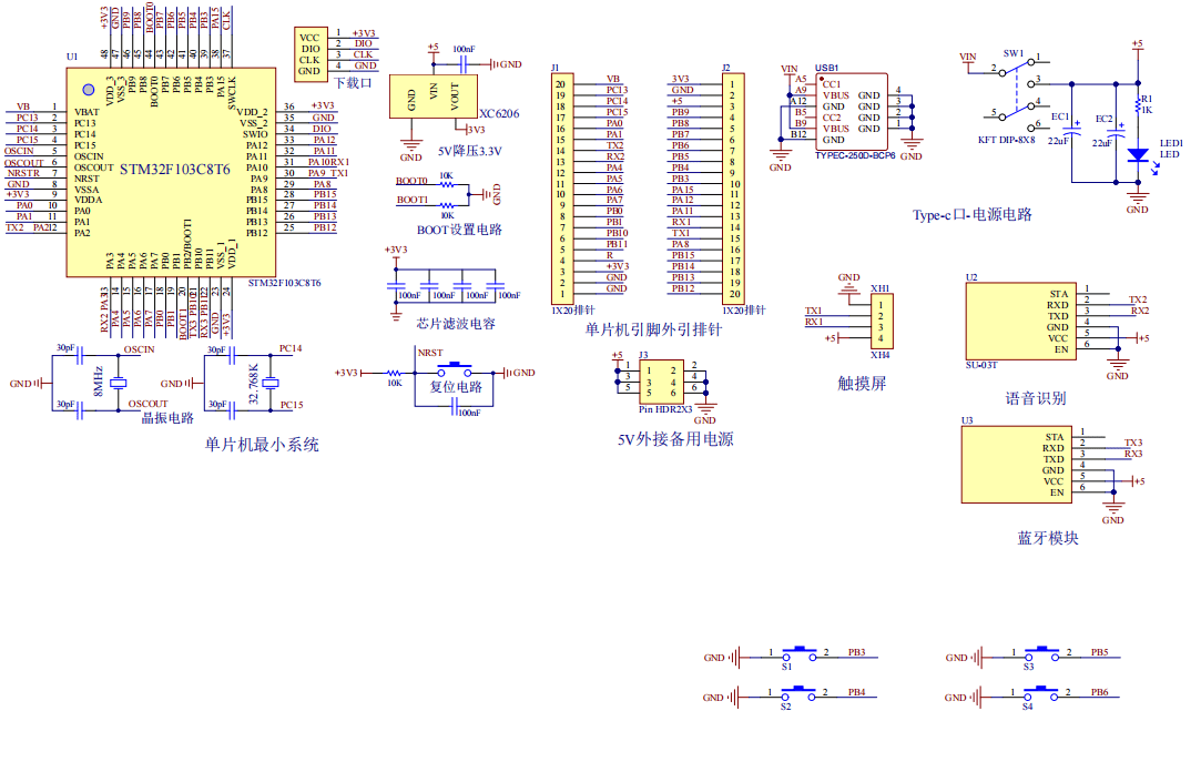
取号端:
软件设计流程:

系统框图:

本设计以STM32单片机为核心控制器,加上其他的模块一起组成基于STM32单片机医院排队叫号系统的设计与实现,其中包含中控部分、输入部分和输出部分。中控部分采用了STM32单片机,其主要作用是获取输入部分数据,经过内部处理,控制输出部分。叫号端输入由两部分组成,第一部分是独立按键,通过按键叫号以及处理业务;第二部分是供电电路,给整个叫号端部分供电;输出由三部分组成,第一部分是是XH4触摸屏,两个窗口显示当前叫号;第二部分是语音模块,语音播报叫号。第三部分是蓝牙模块,与取号端进行连接。
取号端输入由六部分组成,第一部分是XH4触摸屏,按下触摸屏进行取号;第二部分是供电电路,负责给整个系统供电,第三部分是蓝牙模块与叫号端进行连接通信。输出由语音模块一部分组成,对取得的号码进行语音播报。
硬件清单:
叫号端:

取号端:







总体资料:
软件设计流程:
系统框图:
