首页 实物视频演示 仿真视频演示 设计说明书预览 答辩PPT预览
仿真视频演示:
软件安装:
资料预览
效果图:
总体资料:

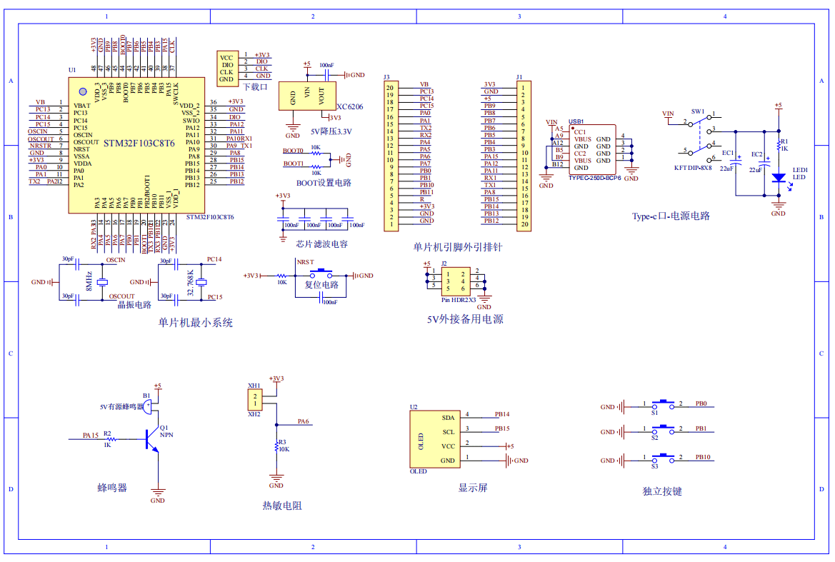
原理图:

软件设计流程:


系统框图:

本设计以STM32单片机为核心控制器,加上其他的模块一起组成基于stm32的冷库温度报警系统的设计与实现的整个系统,其中包含中控部分、输入部分和输出部分。中控部分采用了STM32单片机,其主要作用是获取输入部分数据,经过内部处理,控制输出部分。系统输入由四部分组成,第一部分是DS18B20温度采集模块,通过该模块检测当前温度;第三部分是独立按键,用于切换界面,设置温度阈值;第四部分是供电电路,给整个系统进行供电。
输出由两部分组成,第一部分是OLED显示屏,显示温度值及设置其阈值;第二部分是蜂鸣器,当温度异常,蜂鸣器报警。
硬件清单:










