首页 实物视频演示 仿真视频演示 设计说明书预览 答辩PPT预览
仿真视频演示:
软件安装:
资料预览
效果图:
总体资料:

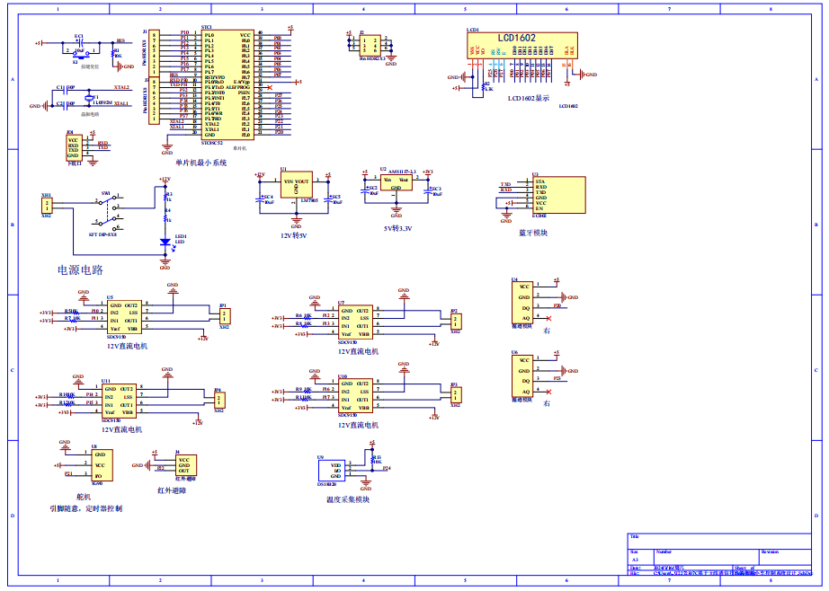
原理图:

软件设计流程:


系统框图:

本设计以STC89C52单片机为核心控制器,加上其他的模块一起组成的和基于无线通信技术的智能小车控制设计的整个系统,包含中控部分、输入部分和输出部分。中控部分采用了STC89C52单片机,其主要作用是获取输入部分数据,经过内部处理,控制输出部分。输入由五部分组成,第一部分是DS18B20温度采集模块,用于检测当前的温度情况;第二部分是舵机,用于带动红外避障模块转动进行检测不同方位避障。第三部分是2个循迹模块,规划指定路线进行运行。第四部分是红外避障,用于避障;最后一部分是供电电路,给整个系统供电。输出由三部分组成,第一部分是LCD1602显示屏,显示获取的温度;第二部分是4个直流电机驱动芯片,用于驱动小车移动。最后是ECB02蓝牙模块,通过该模块上传数据至手机并进行控制小车的移动。
硬件清单:










