首页 实物视频演示 仿真视频演示 设计说明书预览 答辩PPT预览
![]()
![]()
![]()
实物视频演示:
软件安装:
资料预览
效果图:

总体资料:

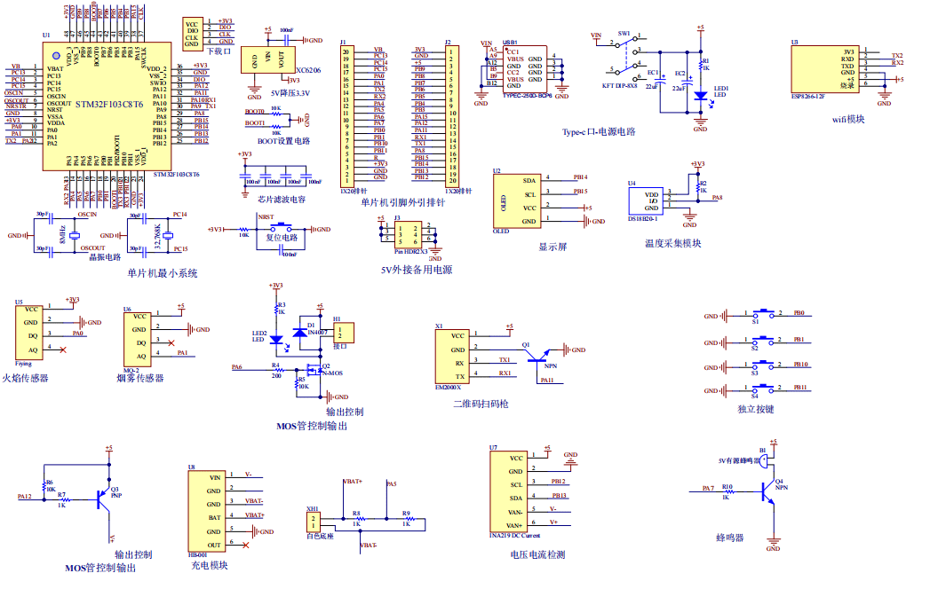
原理图:
软件设计流程:

系统框图:

本设计以STM32单片机为核心控制器,加上其他的模块一起组成的带消防监测的小区电瓶车充电系统,其中包含中控部分、输入部分和输出部分。中控部分采用了STM32单片机,其主要作用是获取输入部分数据,经过内部处理,控制输出部分。输入由八部分组成,第一部分是温湿度传感器模块,读取温度;第二部分是烟雾传感器模块,检测到烟雾时激活喷雾并关闭电源;第三部分是火焰传感器模块,检测有无明火;第四部分是充电模块,给电动车供电;第五部分是二维码扫描模块,模拟扫码支付和充值;第六部分是电压电流检测,监测系统运行数据;第七部分是独立按键,手动控制充电开关;第八部分是供电电路给整个系统供电。输出由五部分组成,第一部分是OLED显示屏,显示温度、烟雾、火焰状态、计时、当前费用、余额等信息。第二部分是MOS管控制输出,控制消防设备;第三部分蜂鸣器,检测到浓烟和火焰的时候蜂鸣器报警处理;最后一个部分是WIFI模块,与云平台通信,发送监测数据,接收远程控制指令。
硬件清单:










系统框图:
