首页 实物视频演示 仿真视频演示 设计说明书预览 答辩PPT预览
仿真视频演示:
软件安装:
资料预览
效果图:
总体资料:

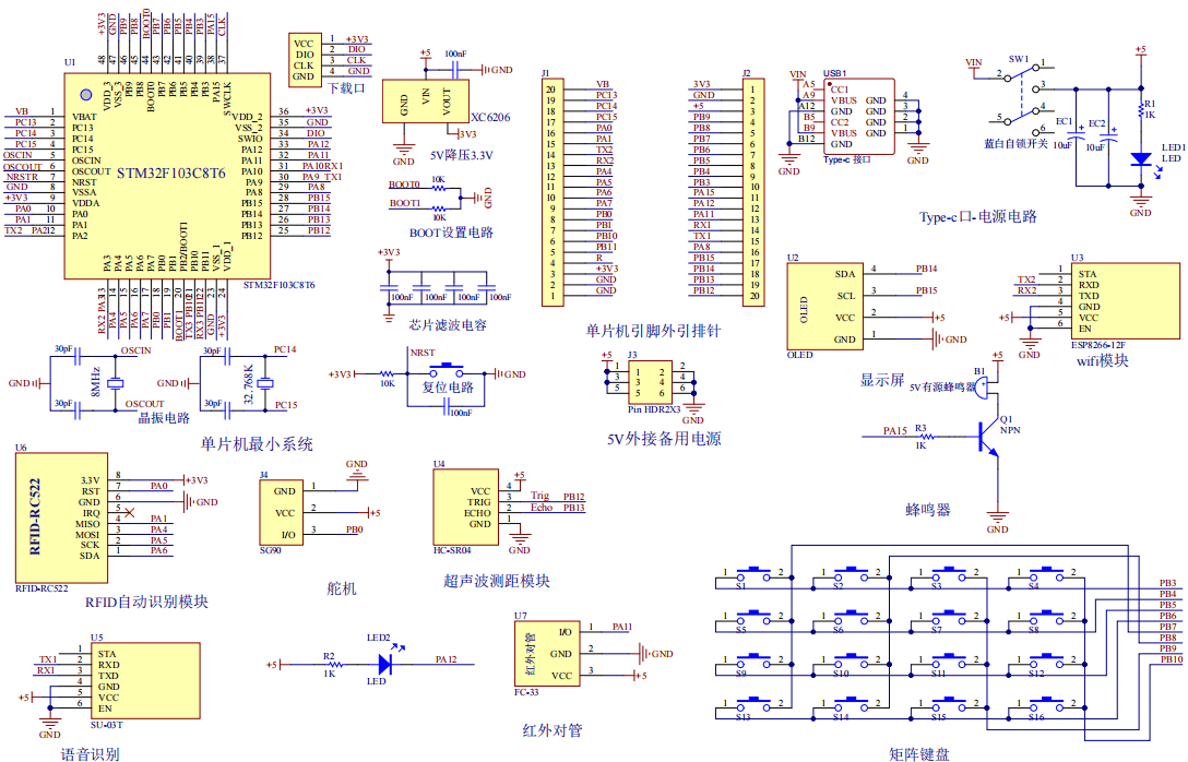
原理图:
软件设计流程:

系统框图:

本设计以STM32F103C8T6单片机为核心控制器,加上其他的模块一起组成基于STM32的智能车位锁,其中包含中控部分、输入部分和输出部分。中控部分采用了STM32F103C8T6单片机,其主要作用是获取输入部分数据,经过内部处理,控制输出部分。输入由六部分组成,第一部分是语音识别模块,用于提示车辆的出入;第二部分是超声波测距模块,通过该模块检测车辆驶离车位安全距离;第三部分是红外对管,可以检测车位上是否有车辆;第四部分是RFID,用作门禁通行卡;第五部分是矩阵键盘,用于密码锁,设置6位密码、密码开锁、删除/添加卡;第六部分是供电电路给整个系统供电。输出由五部分组成,第一部分是OLED显示屏,显示车位锁状态、距离、是否有车、添加/删除卡模式等;第二部分是舵机,用于模拟门的开关;第三部分是LED灯,用于指示车位锁状态;第四部分是蜂鸣器,用于提示音;第五部分是WIFI模块,用于检测软件APP实现对车位锁的开锁、关锁控制。
硬件清单:









总体资料:
软件设计流程:
系统框图:
