首页 实物视频演示 仿真视频演示 设计说明书预览 答辩PPT预览
实物视频演示:
软件安装:
资料预览
效果图:

总体资料:

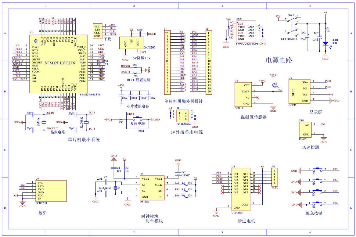
原理图:

软件设计流程:


系统框图:

本设计以STM32单片机为核心控制器,加上其他的模块一起组成基于单片机的智能窗户的整个系统,其中包含中控部分、输入部分和输出部分。中控部分采用了STM32单片机,其主要作用是获取输入部分数据,经过内部处理,控制输出部分。输入由五部分组成,第一部分是DHT11温湿度传感器,通过该模块可以检测当前环境温湿度情况;第二部分是风速检测模块,通过该模块可以检测当前风速情况;第三部分是DS1302时钟模块,通过该模块可以获取时间;第四部分是独立按键,通过该模块可以切换界面/修改时间/设置阈值和定时时间/切换模式等;第五部分是供电电路,通过该模块给整个系统进行供电。输出由三部分组成,第一部分是OLED显示模块, 通过该模块可以显示温湿度、风速值,定时时间、显示设置各项阈值等;第二部分是ULN2003步进电机,通过该模块模拟窗户的开关状态;最后一部分是ECB02蓝牙模块,通过该模块可以实现与按键相同的功能。
硬件清单:







