首页 实物视频演示 仿真视频演示 设计说明书预览 答辩PPT预览
仿真视频演示:
软件安装:
资料预览
效果图:
总体资料:

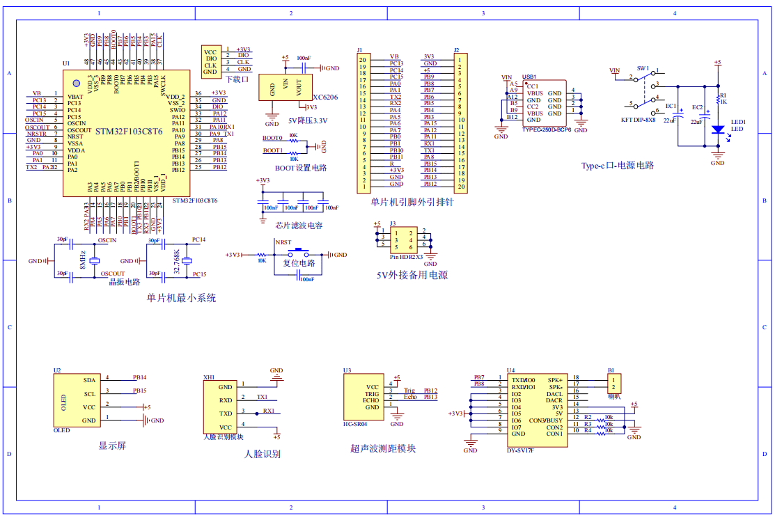
原理图:

软件设计流程:


系统框图:

本设计以STM32单片机为核心控制器,加上其他的模块一起组成基于stm32人脸识别错误报警装置的整个系统,其中包含中控部分、输入部分和输出部分。中控部分采用了STM32单片机,其主要作用是获取输入部分数据,经过内部处理,控制输出部分。主机输入由三部分组成,第一部分是人脸识别模块,通过该模块检测人脸;第二部分是HC-SR04超声波测距模块,通过该模块检测距离;第三部分是供电电路,给整个系统进行供电。输出由两部分组成,第一部分是OLED显示屏,显示测得距离;第二部分是语音播报,用于语音提示人脸识别情况。
硬件清单:

![]()









