首页 实物视频演示 仿真视频演示 设计说明书预览 答辩PPT预览
仿真视频演示:
软件安装:
资料预览
效果图:
总体资料:

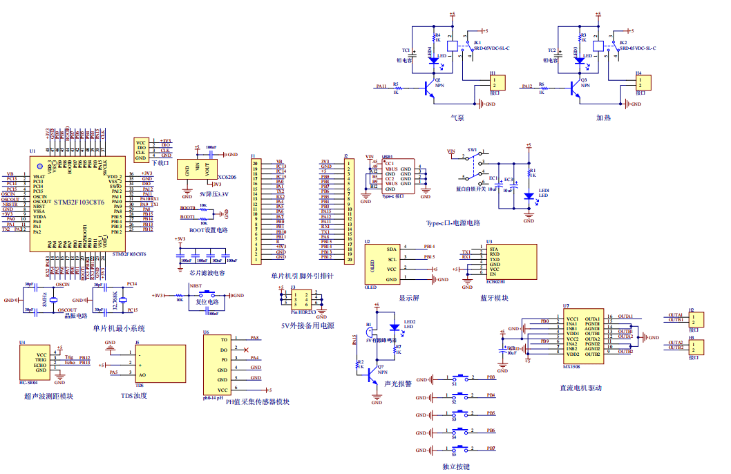
原理图:
软件设计流程:

系统框图:

本设计以STM32单片机为核心控制器,加上其他的模块一起组成的基于单片机的水产育苗系统的设计与实现,其中包含中控部分、输入部分和输出部分。中控部分采用了STM32单片机,其主要作用是获取输入部分数据,经过内部处理,控制输出部分。输入由五部分组成,第一部分是超声波测距模块,检测水位;第二部分是TDS浊度监测,监测水质;第三部分是ph采集传感器模块,检测水的酸碱度;第四部分是独立按键,用于切换界面和模式、设置阈值等;第五部分是供电电路,给整个系统供电。输出由五部分组成,第一部分是OLED显示屏用于显示检测值,显示设置温度阈值,显示设置ph阈值,TDs阈值模式。第二、三部分是继电器,控制气泵和制冷;第四部分是声光报警,当温度,ph TDs,水位超过阈值时提醒;最后一部分是蓝牙模块,将检测到的数据通过该模块发送给移动端,同时可以控制两个继电器开关,切换模式等。
硬件清单:









总体资料:
软件设计流程:
系统框图:

您好,我是刚刚购买的,元器件清单上写要使用ECB02H1蓝牙通信模块,但是我找不到这个模块,请问应该怎么办